您好,欢迎进入格鲁夫机械设备制造有限公司官网!
减速机|丝杆升降机|减速电机|行业专用减速机|减速机配件|减速机厂|丝杆升降机厂|转向器厂

联系我们

邮箱:china@gelufu.com
电话:0312-6784766
地址:莲池区焦庄乡 在线咨询

减速电机

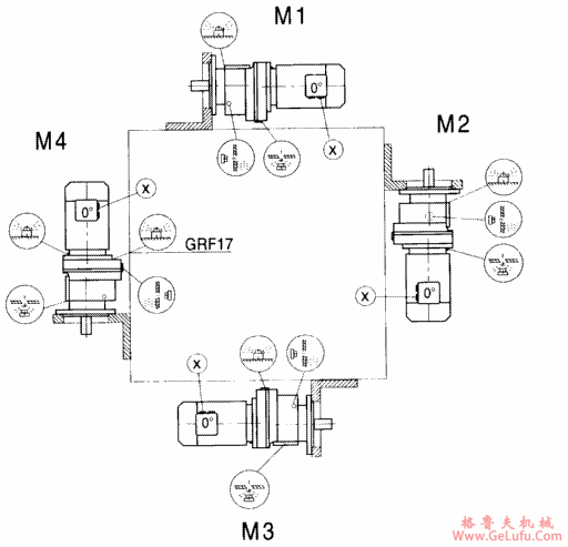
GRF17-GRF167斜齿轮减速电机安装形式示例图

发布日期:2023-12-28 19:37 浏览次数:

GRF17-GRF167斜齿轮减速电机安装形式示例图(图1) 微信:grove_company

GRF17-GRF167斜齿轮减速电机安装形式示例图 Tel:0312-6784766

GRF17-GRF167斜齿轮减速电机安装形式示例图(图2) fax:0312-6784733

GRF17-GRF167斜齿轮减速电机安装形式示例图(图3) QQ:20275456

Copyright © 2023-2025 格鲁夫 版权所有 备案号:冀ICP备19023093号-2

电子营业执照图标 电子营业执照