您好,欢迎进入格鲁夫机械设备制造有限公司官网!
减速机|丝杆升降机|减速电机|行业专用减速机|减速机配件|减速机厂|丝杆升降机厂|转向器厂

联系我们

邮箱:china@gelufu.com
电话:0312-6784766
在线咨询

减速电机

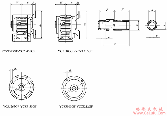
YCZJ100GF、YCZJ112GF、YCZJ140GF、YCZJ180GF、YCZJ212GF、YCZJ265GF、YCZJ315GF、YCZJ375GF、YCZJ450GF系列斜齿轮-螺旋锥齿轮减速三相异步电动机外形及安装尺寸

发布日期:2023-12-28 19:36 浏览次数:

YCZJ100GF、YCZJ112GF、YCZJ140GF、YCZJ180GF、YCZJ212GF、YCZJ265GF、YCZJ315GF、YCZJ375GF、YCZJ450GF系列斜齿轮-螺旋锥齿轮减速三相异步电动机外形及安装尺寸(图1) 电话:0312-6784766

YCZJ100GF、YCZJ112GF、YCZJ140GF、YCZJ180GF、YCZJ212GF、YCZJ265GF、YCZJ315GF、YCZJ375GF、YCZJ450GF系列斜齿轮-螺旋锥齿轮减速三相异步电动机外形及安装尺寸(图2) Tel:0312-6784766

YCZJ100GF-YCZJ450GF 空心轴法兰装

机座号
a3
d
D
i2
l2
l3
F
W
T
R
d0
e
M
YCZJ100GF
160
30H7
45
24
17
105
60
63
33.3
8
9
130
M10
YCZJ112GF
200
35H7
50
25
22
132
75
78
38.3
10
11
165
M12
YCZJ140GF
250
40H7
55
23
29
156
90
94
43.3
12
13.5
215
M16
YCZJ180GF
300
50H7
70
37
32
183
105
108
53.8
14
13.5
265
M16
YCZJ212GF
350
60H7
85
30
36
210
120
123
64.4
18
17.5
300
M20
YCZJ265GF
450
70H7
95
41.5
34
270
150
153
74.9
20
17.5
400
M20
YCZJ315GF
450
90H7
118
41
40
313
175
178
95.4
25
17.5
400
M24
YCZJ375GF
550
100H7
135
51
38
373
205
208
106.4
28
17.5
500
M24
YCZJ450GF
660
120H7
155
60
36
460
250
253
127.4
32
22
600
M24
格鲁夫机械

Copyright © 2023-2025 格鲁夫 版权所有 备案号:冀ICP备19023093号-2

电子营业执照图标 电子营业执照
选择语言
Hello,欢迎来咨询~