您好,欢迎进入格鲁夫机械设备制造有限公司官网!
减速机|丝杆升降机|减速电机|行业专用减速机|减速机配件|减速机厂|丝杆升降机厂|转向器厂

联系我们

邮箱:china@gelufu.com
电话:0312-6784766
在线咨询

减速电机

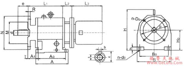
CJ07、CJ15、型齿轮三相异步减速机外形及安装尺寸

发布日期:2023-12-28 19:36 浏览次数:

CJ07、CJ15、型齿轮三相异步减速机外形及安装尺寸(图1)

格鲁夫减速机

CJ07、CJ15、型齿轮三相异步减速机外形及安装尺寸 格鲁夫机械

CJ07、CJ15、型齿轮三相异步减速机外形及安装尺寸(图2) 手机:13331225020

CJ系列齿轮减速器(卧式)外形及安装尺寸
机型号
中心高
安装尺寸
输出轴尺寸
外形尺寸
许用负载
转矩范围
N・m
H0
A0
B0
A1
n
d0
d
b
c
s
e
A
B
h
H
L1
L2
L3
CJ07
120
160
170
39.5
4
12
30js6
8
33
M8
60
190
200
20
253
180
0或55
尺寸按所配电机
0~300
35js6
10
38
300~500
CJ15
150
205
200
31.5
4
14
40k6
12
43
M10
70
241
242
25
293
220
0或65
0~800
45k6
14
48.5
800~1200
★减速比≥35时,尺寸L2(07为55,15为65);减速比<35时,尺寸L2=0。

CJ07、CJ15、型齿轮三相异步减速机外形及安装尺寸(图3)

Tel:0312-6784766

机型号
中心高
安装尺寸
输出轴尺寸
外形尺寸
许用负载转矩范围
N・m
H0
A0
B0
A1
n-d0
M
P
T
n-D0
d
b
c
s
e
A
B
h
H
N
R
L2
L2
L3
CJ07
120
160
170
39.5
4-12
130h7
165
3.5
4-12
30js6
8
33
M8
60
190
200
20
253
200
14
201
0或55
尺寸按所配电机
0~300
35js6
10
38
300~500
CJ15
120
205
200
31.5
4-14
180h7
215
3.5
4-15
40k6
12
43
M10
70
241
242
25
293
250
16
250
0或65
0~800
45k6
14
48.5
800~1200
邮箱:china@gelufu.com

★减速比≥35时,尺寸L2(07为55,15为65);减速比<35时,尺寸L2=0。

Copyright © 2023-2025 格鲁夫 版权所有 备案号:冀ICP备19023093号-2

电子营业执照图标 电子营业执照
选择语言
Hello,欢迎来咨询~