您好,欢迎进入格鲁夫机械设备制造有限公司官网!
减速机|丝杆升降机|减速电机|行业专用减速机|减速机配件|减速机厂|丝杆升降机厂|转向器厂

联系我们

邮箱:china@gelufu.com
电话:0312-6784766
地址:莲池区焦庄乡 在线咨询

减速电机

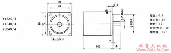
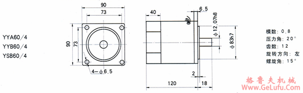
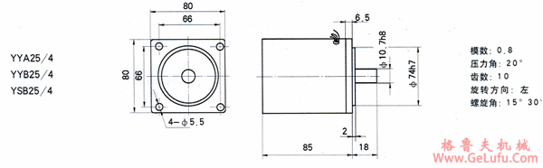
YCJM系列微型斜齿轮硬齿面减速机外形安装尺寸

发布日期:2023-12-28 19:35 浏览次数:

YCJM系列微型斜齿轮硬齿面减速机外形安装尺寸(图1) 邮箱:china@gelufu.com

YCJM系列微型斜齿轮硬齿面减速机外形安装尺寸

邮箱:china@gelufu.com

YCJM系列微型斜齿轮硬齿面减速机外形安装尺寸(图2) 邮箱:china@gelufu.com

YCJM系列微型斜齿轮硬齿面减速机外形安装尺寸(图3)

手机:13331225020

YCJM系列微型斜齿轮硬齿面减速机外形安装尺寸(图4)

电话:0312-6784766

YCJM系列微型斜齿轮硬齿面减速机外形安装尺寸(图5) 传真:0312-6784733

Copyright © 2023-2025 格鲁夫 版权所有 备案号:冀ICP备19023093号-2

电子营业执照图标 电子营业执照