您好,欢迎进入格鲁夫机械设备制造有限公司官网!
减速机|丝杆升降机|减速电机|行业专用减速机|减速机配件|减速机厂|丝杆升降机厂|转向器厂

联系我们

邮箱:china@gelufu.com
电话:0312-6784766
在线咨询

减速电机

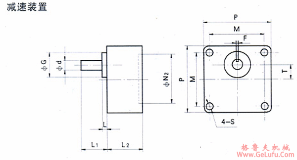
YCJM系列微型斜齿轮硬齿面减速机减速装置

发布日期:2023-12-28 19:35 浏览次数:

YCJM系列微型斜齿轮硬齿面减速机减速装置(图1) mail:china@gelufu.com

YCJM系列微型斜齿轮硬齿面减速机减速装置

YCJM系列微型斜齿轮硬齿面减速机减速装置(图2) www.gelufu.com.cn

型号
P
M
N2
d
L1
L2
L
G
T
S
F
CJM80
80
66
74H7
10
35
44
3
25
16
M5
3
CJM90
90
73
83H7
12
35
58
3
34
18
M6
4

Copyright © 2023-2025 格鲁夫 版权所有 备案号:冀ICP备19023093号-2

电子营业执照图标 电子营业执照
选择语言
Hello,欢迎来咨询~