www.gelufu.com

|
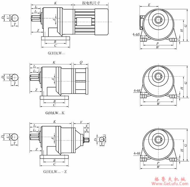
机型号 |
装配电机
机型 |
安装尺寸 |
轴伸尺寸 |
外形尺寸 |
重量 | |||||||||||||||||||
|
A |
B |
P |
H |
S |
Z |
L1 |
L2 |
D(h6) |
U |
T |
D1(h6) |
x |
x1 |
U1 |
T1 |
V |
K |
G |
W |
G |
I |
kg | ||
|
18 |
63 |
16.5 |
40 |
110 |
85 |
9 |
45 |
30 |
25 |
18 |
6 |
20.5 |
14 |
25 |
22 |
5 |
16 |
|
105 |
130 |
134 |
64 |
10 |
7.5 |
|
22 |
63、71 |
18 |
65 |
130 |
90 |
11 |
55 |
40 |
35 |
22 |
6 |
24.5 |
14 |
25 |
22 |
5 |
16 |
|
125 |
140 |
154 |
90 |
12 |
10 |
|
28 |
71、80 |
22 |
90 |
140 |
110 |
11 |
65 |
45 |
40 |
28 |
8 |
31 |
16 |
30 |
25 |
5 |
18 |
|
142 |
165 |
170 |
120 |
16 |
15 |
|
32 |
80、90 |
27 |
130 |
170 |
130 |
13 |
70 |
55 |
50 |
32 |
10 |
35 |
19 |
30 |
25 |
6 |
21.5 |
|
167 |
198 |
203 |
164 |
18 |
32 |
|
40 |
90、100 |
32.5 |
150 |
210 |
150 |
18 |
93 |
65 |
60 |
40 |
12 |
43 |
24 |
35 |
30 |
8 |
27 |
125 |
195 |
227 |
255 |
200 |
20 |
45 |
|
50 |
100、112 |
40 |
160 |
230 |
170 |
18 |
105 |
75 |
70 |
50 |
14 |
53.5 |
35 |
50 |
45 |
10 |
38 |
125 |
227 |
267 |
285 |
210 |
25 |
73 |

|
机型号 |
装配电机
机型 |
安装尺寸 |
轴伸尺寸 |
外形尺寸 |
重量 | |||||||||||||||||||
|
A |
B |
P(h7) |
H |
S |
N |
L1 |
L2 |
D(h6) |
U |
T |
D1(h6) |
x |
x1 |
U1 |
T1 |
V |
K |
G |
W |
G |
I |
kg | ||
|
18 |
63 |
16.5 |
170 |
145 |
80.5 |
9 |
3 |
30 |
25 |
18 |
6 |
20.5 |
14 |
25 |
22 |
5 |
16 |
|
105 |
158 |
33 |
154 |
12 |
7.5 |
|
22 |
36、71 |
18 |
185 |
148 |
79.5 |
11 |
4 |
40 |
35 |
22 |
6 |
24.5 |
14 |
25 |
22 |
5 |
16 |
|
125 |
165 |
44 |
165 |
12 |
10 |
|
28 |
71、80 |
22 |
215 |
170 |
94 |
11 |
4 |
45 |
40 |
28 |
8 |
31 |
16 |
30 |
25 |
5 |
18 |
|
142 |
193 |
49 |
186 |
16 |
15 |
|
32 |
80、90 |
27 |
250 |
180 |
108 |
13 |
4 |
55 |
50 |
32 |
10 |
35 |
19 |
30 |
25 |
6 |
21.5 |
|
167 |
230 |
59 |
213 |
18 |
32 |
|
40 |
90、100 |
32.5 |
310 |
231 |
300 |
18 |
5 |
65 |
60 |
40 |
12 |
43 |
24 |
35 |
30 |
8 |
27 |
125 |
195 |
283 |
70 |
262 |
20 |
45 |
|
50 |
100、112 |
40 |
360 |
270 |
150 |
18 |
5 |
75 |
70 |
50 |
14 |
53.5 |
35 |
50 |
45 |
10 |
38 |
125 |
227 |
331 |
80 |
302 |
25 |
73 |

|
机型号 |
装配电机
机型 |
安装尺寸 |
轴伸尺寸 |
外形尺寸 |
重量 | |||||||||||||||||||
|
A |
B |
P(h7) |
H |
S |
N |
L1 |
L2 |
D(h6) |
U |
T |
D1(h6) |
x |
x1 |
U1 |
T1 |
V |
K |
G |
W |
G |
I |
kg | ||
|
18/28 |
63 |
5.5 |
90 |
140 |
110 |
11 |
65 |
45 |
40 |
28 |
8 |
31 |
16 |
30 |
25 |
5 |
18 |
|
214 |
165 |
170 |
120 |
16 |
20 |
|
22/32 |
63、71 |
9 |
130 |
170 |
130 |
13 |
70 |
55 |
50 |
32 |
10 |
35 |
19 |
30 |
25 |
6 |
21.5 |
|
248 |
198 |
203 |
164 |
18 |
40 |
|
28/40 |
71、80 |
10.5 |
150 |
210 |
150 |
18 |
93 |
65 |
60 |
40 |
12 |
43 |
24 |
35 |
30 |
8 |
27 |
|
288 |
227 |
255 |
200 |
20 |
62 |
|
32/50 |
80、90 |
13 |
160 |
230 |
170 |
18 |
105 |
75 |
70 |
50 |
14 |
54 |
35 |
50 |
45 |
10 |
38 |
|
335 |
267 |
285 |
210 |
25 |
100 |
fax:0312-6784733

|
机型号 |
装配电机
机型 |
安装尺寸 |
轴伸尺寸 |
外形尺寸 |
重量 | |||||||||||||||||||
|
A |
B |
P(h7) |
H |
S |
N |
L1 |
L2 |
D(h6) |
U |
T |
D1(h6) |
x |
x1 |
U1 |
T1 |
V |
K |
G |
W |
G |
I |
kg | ||
|
18/28 |
63 |
5.5 |
215 |
170 |
94 |
11 |
4 |
45 |
40 |
28 |
8 |
31 |
16 |
30 |
25 |
5 |
18 |
|
214 |
193 |
49 |
186 |
16 |
20 |
|
22/32 |
63、71 |
9 |
250 |
180 |
108 |
13 |
4 |
55 |
50 |
32 |
10 |
35 |
19 |
30 |
25 |
6 |
21.5 |
|
248 |
230 |
50 |
213 |
18 |
40 |
|
28/40 |
71、80 |
10.5 |
310 |
230 |
130 |
18 |
5 |
65 |
60 |
40 |
12 |
43 |
24 |
35 |
30 |
8 |
27 |
|
288 |
283 |
70 |
262 |
20 |
62 |
|
32/50 |
80、90 |
13 |
360 |
270 |
150 |
18 |
5 |
75 |
70 |
50 |
14 |
53.5 |
35 |
50 |
45 |
10 |
38 |
|
335 |
331 |
80 |
302 |
25 |
100 |