您好,欢迎进入格鲁夫机械设备制造有限公司官网!
减速机|丝杆升降机|减速电机|行业专用减速机|减速机配件|减速机厂|丝杆升降机厂|转向器厂

联系我们

邮箱:china@gelufu.com
电话:0312-6784766
地址:莲池区焦庄乡 在线咨询

减速电机

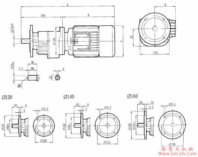
RCF27..型硬齿轮减速机安装尺寸图

发布日期:2023-12-28 19:35 浏览次数:

RCF27..型硬齿轮减速机安装尺寸图(图1)

QQ:47447450

RCF27..型硬齿轮减速机安装尺寸图 邮箱:china@gelufu.com

RCF27..型硬齿轮减速机安装尺寸图(图2)

格鲁夫丝杆升降机

YS63..
YS71..
YS80..
Y90..
Y100..
Y
122
137
156
169
194
W
95
108
118
128
145
L
412
430
452
504
553
Q
214
231
253
305
354
手机:13331225020

Copyright © 2023-2025 格鲁夫 版权所有 备案号:冀ICP备19023093号-2

电子营业执照图标 电子营业执照