您好,欢迎进入格鲁夫机械设备制造有限公司官网!
减速机|丝杆升降机|减速电机|行业专用减速机|减速机配件|减速机厂|丝杆升降机厂|转向器厂

联系我们

邮箱:china@gelufu.com
电话:0312-6784766
地址:莲池区焦庄乡 在线咨询

减速电机

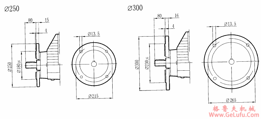
RCXF87..型硬齿轮减速机安装尺寸图

发布日期:2023-12-28 19:35 浏览次数:

RCXF87..型硬齿轮减速机安装尺寸图(图1) 微信:grove_company

RCXF87..型硬齿轮减速机安装尺寸图

QQ:20275456

RCXF87..型硬齿轮减速机安装尺寸图(图2) 格鲁夫丝杆升降机

RCXF87..型硬齿轮减速机安装尺寸图(图3) 格鲁夫丝杆升降机

WX:grove_company

格鲁夫减速机

Tel:0312-6784766

电话:0312-6784766

Copyright © 2023-2025 格鲁夫 版权所有 备案号:冀ICP备19023093号-2

电子营业执照图标 电子营业执照
YS80..
Y90..
Y100..
Y112M..
Y132S..
Y132M..
Y160M..
Y160L..
Y180M..
Y160L
Y200
Y
156
169
194
226
266
266
320
320
362
362
400
W
118