您好,欢迎进入格鲁夫机械设备制造有限公司官网!
减速机|丝杆升降机|减速电机|行业专用减速机|减速机配件|减速机厂|丝杆升降机厂|转向器厂

联系我们

邮箱:china@gelufu.com
电话:0312-6784766
地址:莲池区焦庄乡 在线咨询

减速电机

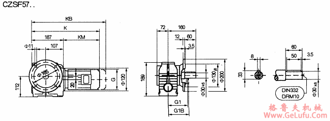
CZSF57..型斜齿轮蜗杆减速机的安装尺寸

发布日期:2023-12-28 19:35 浏览次数:

CZSF57..型斜齿轮蜗杆减速机的安装尺寸(图1) QQ:20275456

CZSF57..型斜齿轮蜗杆减速机的安装尺寸 www.gelufu.com

CZSF57..型斜齿轮蜗杆减速机的安装尺寸(图2) www.gelufu.com

CZSF57..型斜齿轮蜗杆减速机的安装尺寸(图3) 传真:0312-6784733

78
DR63..
DT71D
DT80..
DT90..
DV100M
DV100L
G(AC)
132
145
145
197
197
197
G1(AD)
99
122
122
154
166
166
G1B
99
127
127
161
166
166
K
378
393
433
463
515
545
KB
433
457
507
548
600
630
KM(LB)
191
206
256
276
328
358
www.gelufu.com.cn

Copyright © 2023-2025 格鲁夫 版权所有 备案号:冀ICP备19023093号-2

电子营业执照图标 电子营业执照