Mobile:13331225020

|
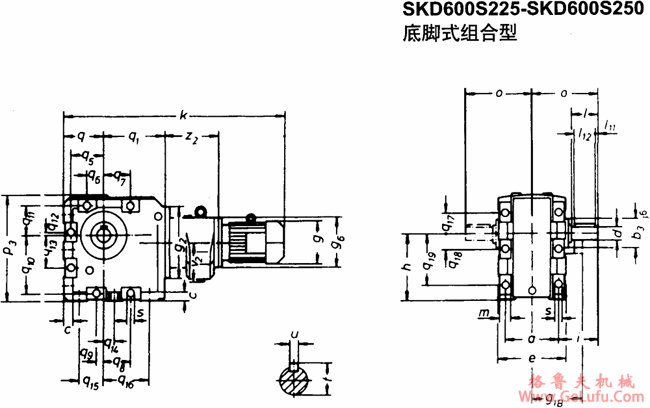
型号 |
a
b3 |
c
e |
g |
g1B |
g2
g6 |
h
i |
k |
m
o
p3 |
q
q1
q5 |
q6
q7
q8 |
q9 q10
q11 |
q12 q13 q14 |
q15 q16 q17 |
q18
q19 |
s
v2
z2 |
d
l
l11 |
l12
t
u | |
|
SKD600S225 |
Y80 |
540
230 |
60
640 |
175 |
150 |
550
300 |
600
367 |
1508 |
110
637
930 |
355
571
305 |
135
250
250 |
60
550
250 |
5
305
95 |
215
405
160 |
150
460 |
39
225
297 |
160
300
10 |
280
169
40 |
|
Y90 |
195 |
160 |
1545 | |||||||||||||||
|
Y100 |
212 |
180 |
1574 | |||||||||||||||
|
Y112 |
240 |
190 |
1594 | |||||||||||||||
|
Y132S |
275 |
210 |
1649 | |||||||||||||||
|
Y132M |
275 |
210 |
1689 | |||||||||||||||
|
Y160M |
335 |
265 |
1748 | |||||||||||||||
|
Y160L |
335 |
265 |
1793 | |||||||||||||||
|
Y180 |
380 |
285 |
1853 | |||||||||||||||
|
SKD600S250 |
Y100 |
540
230 |
60
640 |
212 |
180 |
550
350 |
600
367 |
1629 |
110
637
930 |
355
571
305 |
135
250
250 |
60
550
250 |
5
305
95 |
215
405
160 |
150
460 |
39
244
352 |
160
300
10 |
280
169
40 |
|
Y112 |
240 |
190 |
1649 | |||||||||||||||
|
Y132S |
275 |
210 |
1704 | |||||||||||||||
|
Y132M |
275 |
210 |
1744 | |||||||||||||||
|
Y160M |
335 |
265 |
1803 | |||||||||||||||
|
Y160L |
335 |
265 |
1848 | |||||||||||||||
|
Y180 |
380 |
285 |
1908 | |||||||||||||||
|
Y200 |
420 |
315 |
1973 | |||||||||||||||
|
Y225 |
475 |
345 |
2013 | |||||||||||||||