WX:grove_company

|
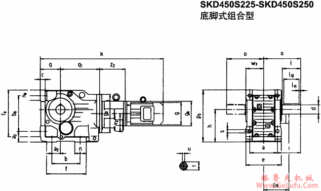
型号 |
a
a2 |
a3
b
b0 |
c
e |
f
f0 |
g |
g1B |
g2
g6
h |
i |
k |
n
n0 |
o
p3 |
q
q1 |
s
v2 |
w7
z2 |
d
l |
l11
l12 |
t
u | |
|
SKD450S225 |
Y80 |
420
140 |
130
380
500 |
50
500 |
495
634 |
175 |
150 |
550
300
450 |
247 |
1288 |
115
130 |
457
705 |
280
426 |
39
225 |
250
297 |
120
210 |
5
200 |
127
32 |
|
Y90 |
195 |
160 |
1325 | |||||||||||||||
|
Y100 |
212 |
180 |
1354 | |||||||||||||||
|
Y112 |
240 |
190 |
1374 | |||||||||||||||
|
Y132 |
275 |
210 |
1425 | |||||||||||||||
|
Y132 |
275 |
210 |
1469 | |||||||||||||||
|
Y160 |
335 |
265 |
1528 | |||||||||||||||
|
Y160 |
335 |
265 |
1573 | |||||||||||||||
|
Y180 |
380 |
285 |
1633 | |||||||||||||||
|
Y200 |
420 |
315 |
1698 | |||||||||||||||
|
SKD450S250 |
Y100 |
420
140 |
130
380
500 |
50
500 |
495
634 |
212 |
180 |
550
350
450 |
247 |
1409 |
115
130 |
457
705 |
280
426 |
39
244 |
250
352 |
120
210 |
5
200 |
127
32 |
|
Y112 |
240 |
190 |
1429 | |||||||||||||||
|
Y132 |
275 |
210 |
1484 | |||||||||||||||
|
Y132 |
275 |
210 |
1524 | |||||||||||||||
|
Y160 |
335 |
265 |
1583 | |||||||||||||||
|
Y160 |
335 |
265 |
1628 | |||||||||||||||
|
Y180 |
380 |
285 |
1688 | |||||||||||||||
|
Y200 |
420 |
315 |
1753 | |||||||||||||||