电话:0312-6784766

|
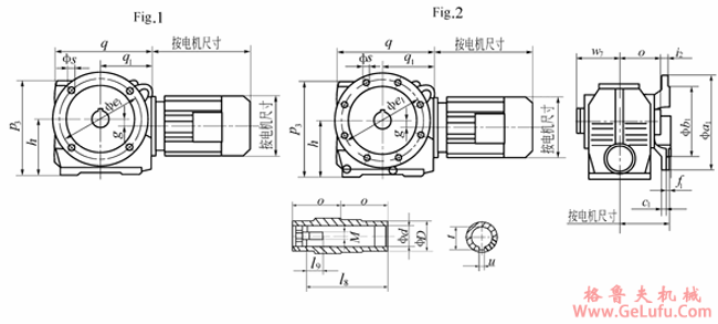
型号 |
a1 |
b1 |
e1 |
Fig |
S |
h |
f1 |
c1 |
p3 |
q |
q1 |
g |
w7 |
o |
i2 |
l8 |
l9 |
D |
d |
u |
t |
M |
|
JTSAF47 |
160 |
110j6 |
130 |
1 |
9 |
100 |
3.5 |
10 |
179 |
171 |
96 |
8 |
63 |
60 |
24 |
105 |
17 |
45 |
30h7 |
8 |
33.3 |
M10 |
|
JTSAF57 |
200 |
130j6 |
165 |
1 |
11 |
112 |
3.5 |
12 |
189 |
187 |
107 |
20 |
78 |
75 |
25 |
132 |
22 |
50 |
35h7 |
10 |
38.3 |
M12 |
|
JTSAF67 |
200 |
130j6 |
165 |
1 |
11 |
140 |
3.5 |
12 |
236 |
242 |
135 |
22 |
87 |
84 |
42.5 |
144 |
29 |
65 |
45h7 |
14 |
48.8 |
M16 |
|
JTSAF77 |
250 |
180j6 |
215 |
1 |
13.5 |
180 |
4 |
15 |
301 |
287 |
162 |
34 |
108 |
105 |
45.5 |
180 |
37 |
80 |
60h7 |
18 |
64.4 |
M20 |
|
JTSAF87 |
350 |
250h6 |
300 |
1 |
17.5 |
225 |
5 |
18 |
368 |
340 |
190 |
37.5 |
128 |
125 |
52.5 |
220 |
34 |
95 |
70h7 |
20 |
74.9 |
M20 |
|
JTSAF97 |
450 |
350h6 |
400 |
2 |
17.5 |
280 |
5 |
22 |
455 |
420 |
240 |
52 |
149 |
145 |
60 |
255 |
41 |
120 |
90h7 |
25 |
95.4 |
M24 |