格鲁夫丝杆升降机

|
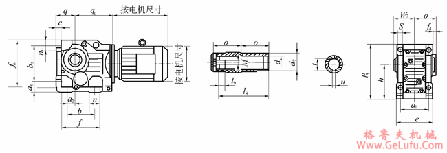
型号 |
a1 |
a2 |
a3 |
b |
b0 |
c |
e |
f |
f0 |
f4 |
h |
n |
n0 |
o |
p3 |
q |
q1 |
s |
w7 |
d |
d7 |
l8 |
l9 |
t |
u |
M |
|
JTKA127 |
330 |
115 |
110 |
350 |
420 |
45 |
400 |
440 |
526 |
2.5 |
375 |
100 |
111 |
205 |
592 |
225 |
390 |
39 |
208 |
100H7 |
135 |
373 |
38 |
106.4 |
28 |
M24 |
|
JTKA157 |
420 |
140 |
130 |
380 |
500 |
50 |
500 |
480 |
634 |
0 |
450 |
100 |
130 |
250 |
705 |
280 |
426 |
39 |
253 |
120H7 |
155 |
460 |
36 |
127.4 |
32 |
M24 |