手机:13331225020

|
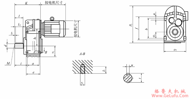
型号 |
a |
a2 |
b |
e |
f |
h1 |
i |
k |
l5 |
n |
o7 |
p3 |
s1 |
v1 |
d |
l |
l11 |
l12 |
t |
u |
M |
|
JTF37 |
77 |
31 |
115 |
95 |
135 |
112 |
72.5 |
160 |
11 |
20 |
165 |
252 |
M8 |
76 |
25k6 |
50 |
5 |
40 |
28 |
8 |
M10 |
|
JTF47 |
93 |
43 |
145 |
109 |
165 |
128.1 |
91 |
193 |
15 |
20 |
180 |
269 |
M10 |
77 |
30k6 |
60 |
3.5 |
50 |
33 |
8 |
M10 |
|
JTF57 |
102 |
55 |
170 |
126 |
195 |
136 |
104.5 |
221 |
17 |
25 |
200 |
317 |
M12 |
93 |
35k6 |
70 |
7 |
56 |
38 |
10 |
M12 |
|
JTF67 |
112 |
60 |
190 |
131 |
215 |
159.5 |
118.5 |
242 |
17 |
25 |
212 |
343 |
M12 |
97 |
40k6 |
80 |
5 |
70 |
43 |
12 |
M16 |
|
JTF77 |
140 |
70 |
240 |
165 |
275 |
200 |
137.5 |
294 |
26 |
35 |
270 |
426 |
M16 |
121 |
50k6 |
100 |
10 |
80 |
53.5 |
14 |
M16 |
|
JTF87 |
165 |
100 |
310 |
195 |
350 |
246.7 |
163 |
344 |
26 |
40 |
330 |
531 |
M16 |
152 |
60m6 |
120 |
5 |
110 |
64 |
18 |
M20 |
|
JTF97 |
205 |
120 |
350 |
240 |
400 |
285 |
190.5 |
416 |
28 |
50 |
400 |
623 |
M20 |
178 |
70m6 |
140 |
7.5 |
125 |
74.5 |
20 |
M20 |
|
JTF107 |
220 |
125 |
400 |
260 |
460 |
332.4 |
241.5 |
484 |
36 |
60 |
450 |
717 |
M24 |
200 |
90m6 |
170 |
5 |
160 |
95 |
25 |
M24 |
|
JTF127 |
270 |
142 |
450 |
316 |
520 |
382.6 |
291 |
585 |
45 |
70 |
530 |
856 |
M30 |
236 |
110m6 |
210 |
15 |
180 |
116 |
28 |
M24 |
|
JTF157 |
310 |
170 |
540 |
364 |
620 |
447 |
325 |
662 |
55 |
80 |
660 |
1021 |
M36 |
286 |
120m6 |
210 |
5 |
200 |
127 |
32 |
M24 |