您好,欢迎进入格鲁夫机械设备制造有限公司官网!
减速机|丝杆升降机|减速电机|行业专用减速机|减速机配件|减速机厂|丝杆升降机厂|转向器厂

联系我们

邮箱:china@gelufu.com
电话:0312-6784766
在线咨询

国外及港台减速机

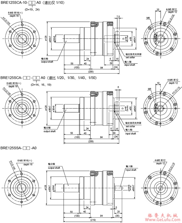
BRE100SCA系列球减速机外形安装尺寸

发布日期:2023-12-28 20:21 浏览次数:

BRE100SCA系列球减速机外形安装尺寸(图1) Mobile:13331225020

BRE100SCA系列球减速机外形安装尺寸(图2) 微信:grove_company

BRE100SCA-□□AO (速比仅1/10)

QQ:20275456


D=1619

邮箱:china@gelufu.com


BRE100SCA系列球减速机外形安装尺寸(图3)

手机:13331225020

BRE100SCA系列球减速机外形安装尺寸(图4)

fax:0312-6784733

Copyright © 2023-2025 格鲁夫 版权所有 备案号:冀ICP备19023093号-2

电子营业执照图标 电子营业执照
选择语言
Hello,欢迎来咨询~