QQ:20275456
方型座、安装面与85系列、60系列和38系列的步进电机轴匹配。
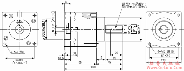
BRA 815(82)
5相2相
・容许轴向负载60kgf
・容许径向负载
mail:china@gelufu.com
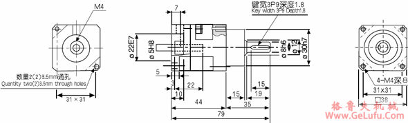
BRA 85 (82)
5相2相
・容许轴向负载30kgf
・容许径向负载10kgf
WX:grove_company
BRA 35
・容许轴向负载2kgf
・容许径向负载3kgf
Mobile:13331225020
BRA 28
・容许轴向负载1 5kgf
・容许径向负载3 0kgf
・容许传递扭矩3kgf cm
・迟滞量±180角秒
・减速比1/10
・质量120g
・型式表示仅为BRA28―10
手机:13331225020
所有尺寸均为公制。
圆括号()中的尺寸适用于2相步进电机。
与电机连接并拧紧设置螺栓,在螺栓上涂Loctte胶水以防反松。
如安装不同尺寸的电机,请提供电机和轴的尺寸,以配适当的适配器。
要想使用此表中所列容量更高的减速,请参照BR或BBR系列部分的球减速机。
mail:china@gelufu.com
球减速器的输入方式Ball Reducer lnput Mefhods
轴形式输入Shan Type lnpul
同轴动力输入(十字滑块连轴器连接)
连轴器的内部司隙,会对减速机的输出轴有影响。
微小的司隙是几乎没有问题的,但可能的情况下,
请尽量使用没有背隙的连轴器。
格鲁夫配件
www.gelufu.com.cn
外部动力输入
如图通过齿轮,皮带轮从外部动力输入的情况下,请注意
以下几点:
齿轮、皮带轮等插入的日寸候,请现场调整连接键的配合。
如果过分使用蛮力装入的话,会造成减速机内部轴向动作
作不良
请注意不要过度设定皮带轮的张力值,这样可以=能导致
输入轴的折断,弯曲和产生内部的偏心应加。

