邮箱:china@gelufu.com
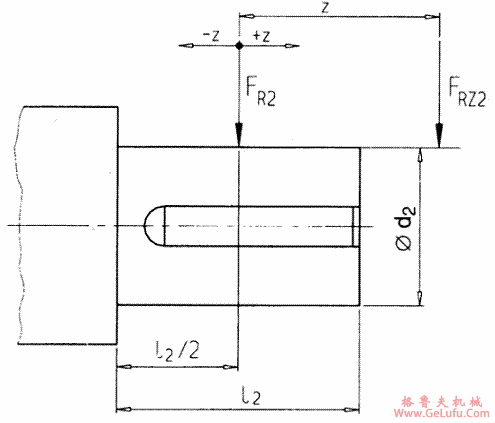
齿轮输出轴d2上允许的附加径向力
微信:grove_company
手机:13331225020
|
允许的附加径向力FR2(kN),作用于输出轴轴端中部3) | |||||||||||||||||||
|
类型 |
布置形式 |
齿轮箱规格 1),4) | |||||||||||||||||
|
1 |
2 |
3 |
4 |
5 |
6 |
7 |
8 |
9 |
10 |
11 |
12 |
13 |
14 |
15 |
16 |
17 |
18 | ||
|
H1SH |
A/B |
2) |
- |
2) |
- |
2) |
- |
2) |
- |
2) |
- |
2) |
- |
2) |
- |
2) |
|
2) |
|
|
H2S. |
A/B/G/H |
- |
- |
8 |
10 |
22 |
22 |
30 |
30 |
30 |
45 |
64 |
64 |
150 |
150 |
140 |
205 |
205 |
205 |
|
C/D |
- |
- |
8 |
10 |
13 |
13 |
18 |
18 |
10 |
28 |
35 |
35 |
112 |
112 |
85 |
135 |
135 |
135 | |
|
H3S. |
A/B/G/H |
- |
- |
- |
- |
29 |
29 |
40 |
40 |
40 |
60 |
85 |
85 |
190 |
190 |
185 |
265 |
265 |
265 |
|
C/D |
- |
- |
- |
- |
18 |
18 |
26 |
26 |
18 |
40 |
50 |
50 |
150 |
150 |
120 |
185 |
185 |
190 | |
|
H4S. |
A/B |
- |
- |
- |
- |
- |
- |
26 |
26 |
18 |
40 |
50 |
50 |
150 |
150 |
120 |
185 |
185 |
190 |
|
C/D |
- |
- |
- |
- |
- |
- |
40 |
40 |
40 |
60 |
85 |
85 |
190 |
190 |
185 |
265 |
265 |
265 | |
|
B2S. |
A/C |
7 |
10 |
10 |
13 |
27 |
27 |
37 |
37 |
38 |
55 |
78 |
78 |
160 |
160 |
150 |
210 |
210 |
210 |
|
B/D |
4 |
7 |
9 |
12 |
15 |
15 |
17 |
17 |
10 |
30 |
35 |
38 |
110 |
110 |
75 |
145 |
100 |
100 | |
|
B3S. |
A/C |
- |
- |
9 |
14 |
29 |
29 |
40 |
40 |
40 |
60 |
85 |
85 |
190 |
190 |
185 |
265 |
265 |
265 |
|
B/D |
- |
- |
7 |
9 |
18 |
18 |
26 |
26 |
18 |
40 |
50 |
50 |
150 |
150 |
120 |
185 |
185 |
190 | |
|
B4S. |
A/C |
- |
- |
- |
- |
29 |
29 |
40 |
40 |
40 |
60 |
85 |
85 |
190 |
190 |
185 |
265 |
265 |
265 |
|
B/D |
- |
- |
- |
- |
18 |
18 |
26 |
26 |
18 |
40 |
50 |
50 |
150 |
150 |
120 |
185 |
185 |
190 | |
格鲁夫丝杆升降机
|
作用力系数K | |||||||||||||||
|
规格 |
距离Z,mm | ||||||||||||||
|
-200 |
-150 |
-100 |
-75 |
-50 |
-25 |
0 |
25 |
50 |
75 |
100 |
150 |
200 |
250 |
300 | |
|
1 |
|
|
|
|
|
1.11 |
1.00 |
0.81 |
0.68 |
0.58 |
0.51 |
|
|
|
|
|
2 |
|
|
|
|
|
1.11 |
1.00 |
0.83 |
0.71 |
0.63 |
0.56 |
|
|
|
|
|
3 |
|
|
|
|
1.21 |
1.09 |
1.00 |
0.85 |
0.74 |
0.65 |
0.58 |
0.48 |
|
|
|
|
4 |
|
|
|
|
1.17 |
1.08 |
1.00 |
0.86 |
0.76 |
0.68 |
0.62 |
0.52 |
0.44 |
|
|
|
5+6 |
|
|
|
1.22 |
1.14 |
1.06 |
1.00 |
0.88 |
0.79 |
0.72 |
0.66 |
0.56 |
0.49 |
0.43 |
|
|
7+8 |
|
|
|
1.19 |
1.12 |
1.06 |
1.00 |
0.89 |
0.81 |
0.74 |
0.68 |
0.58 |
0.51 |
0.46 |
0.41 |
|
9+10 |
|
|
1.22 |
1.15 |
1.10 |
1.05 |
1.00 |
0.90 |
0.82 |
0.76 |
0.70 |
0.61 |
0.54 |
0.48 |
0.44 |
|
11+12 |
|
|
1.18 |
1.13 |
1.08 |
1.04 |
1.00 |
0.91 |
0.84 |
0.78 |
0.73 |
0.64 |
0.57 |
0.51 |
0.47 |
|
13+14 |
|
1.24 |
1.15 |
1.11 |
1.07 |
1.03 |
1.00 |
0.92 |
0.86 |
0.80 |
0.75 |
0.67 |
0.60 |
0.55 |
0.50 |
|
15+16 |
|
1.20 |
1.12 |
1.09 |
1.06 |
1.03 |
1.00 |
0.93 |
0.87 |
0.82 |
0.77 |
0.69 |
0.63 |
0.58 |
0.53 |
|
17+18 |
1.25 |
1.17 |
1.11 |
1.08 |
1.05 |
1.03 |
1.00 |
0.94 |
0.88 |
0.84 |
0.79 |
0.72 |
0.66 |
0.60 |
0.56 |