传真:0312-6784733

|
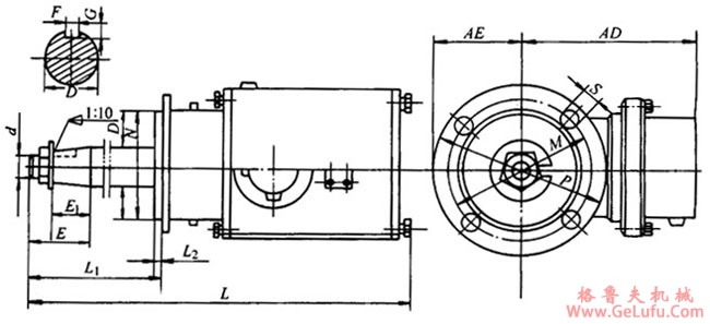
型号 |
E |
E1 |
F |
G |
M |
D |
N |
P |
S |
AE |
AD |
d |
L |
L1 |
L2 |
|
73M2-215L1-4
73M2-215L2-4
73M2-265L1-4
73M2-265L2-4
73M2-300L1-4
73M2-300L2-4 |
110
110
110
110
140
140 |
82
82
82
82
105
105 |
12
12
14
14
16
16 |
16.9
16.9
19.9
19.9
21.4
21.4 |
φ215
φ215
φ265
φ300
φ300
φ300 |
φ48
φ48
φ55
φ55
φ60
φ60 |
180
180
230
230
250
250 |
250
250
300
300
350
350 |
4×φ15
4×φ15
8×φ15
8×φ15
8×φ19
8×φ19 |
125
125
150
150
232
232 |
190
190
250
250
275
275 |
M30×2
M30×2
M36×2
M36×3
M42×3
M42×3 |
932
932
875
875
1010
1010 |
528
528
435
435
135
465 |
6
6
6
5
6
6 |