www.gelufu.com.cn


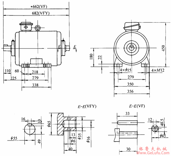
|
型号 |
N |
M |
L1 |
L2 |
L |
d |
L3 |
AC |
AD |
E |
F |
|
VF160M-4 |
ф302 |
ф278 |
113 |
132 |
688 |
ф55 |
112 |
ф316 |
259 |
15 |
20 |
|
VF160L-4 |
ф302 |
ф278 |
113 |
132 |
728 |
ф55 |
112 |
ф316 |
259 | ||
|
VF180L1-4 |
ф341 |
ф320 |
101 |
120 |
746 |
ф60 |
106 |
ф360 |
275 | ||
|
VF180L2-4 |
ф341 |
ф320 |
101 |
120 |
781 |
ф60 |
106 |
ф360 |
275 | ||
|
CVF160L-4、-6 |
ф302 |
ф278 |
110 |
129 |
727 |
ф55 |
112 |
ф316 |
259 |
14 |
17 |
|
CVF180L1-6 |
ф341 |
ф320 |
101 |
120 |
746 |
ф60 |
106 |
ф360 |
275 | ||
|
CVF180L2-4 |
ф341 |
ф320 |
101 |
120 |
781 |
ф60 |
106 |
ф360 |
275 |

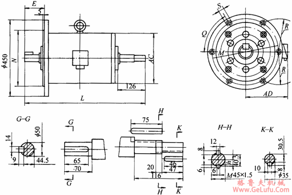
|
型号 |
N |
E |
L |
h |
M |
S |
R |
Q |
AC |
AD |
F |
|
BVF160-4 |
ф345 |
113 |
729 |
20 |
ф415 |
*6M16 |
R185 |
― |
ф316 |
259 |
ф450 |
|
BVF160-6 |
ф345 |
113 |
729 |
20 |
ф415 |
*6M16 |
R185 |
― |
ф316 |
259 | |
|
BVF180L2-4 |
ф345 |
115 |
796 |
18.5 |
ф415 |
*6M16 |
R185 |
― |
ф360 |
275 | |
|
BVF180L1-6 |
ф345 |
115 |
761 |
18.5 |
ф415 |
*6M16 |
R185 |
― |
ф360 |
275 | |
|
QVF160L-4、-6 |
ф350 |
113 |
729 |
20 |
ф400 |
6M16 |
― |
60° |
ф316 |
259 | |
|
QVF180L2-4 |
ф350 |
115 |
796 |
18.5 |
ф400 |
6M16 |
― |
60° |
ф360 |
275 | |
|
BJF160 |
ф310 |
110 |
732 |
― |
ф278 |
6M16 |
― |
60° |
ф316 |
259 |
ф330 |
Mobile:13331225020
