mail:china@gelufu.com

|
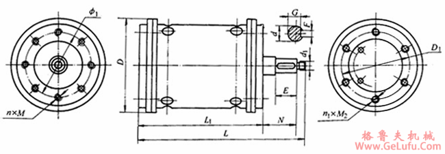
型号 |
安装尺寸代号 |
d |
d1 |
F |
G |
D1 |
φ1 |
L1 |
N |
E |
n×M1 |
n1×M2 |
D |
L |
|
YGJ90L-4 |
J1 |
22 |
20 |
6 |
18.5 |
145 |
142 |
225 |
70 |
38 |
4×8 |
4×8 |
158 |
315 |
|
YGJ100L1-4
YGJ100L2-4
YGJ112M-4 |
J2 |
5 |
20 |
8 |
21 |
180 |
180 |
292 |
80 |
45 |
6×10 |
6×10 |
248 |
392 |
|
YGJ132M-4 |
J3 |
35 |
25 |
10 |
30 |
244 |
220 |
3465 |
94 |
56 |
8×10 |
6×10 |
278 |
461.5 |
|
YGJ132M-4
YGJ160M-4 |
J4 |
35 |
25 |
10 |
30 |
244 |
260 |
395 |
94 |
56 |
8×12 |
6×12 |
330 |
510 |

|
型号 |
M |
N |
D |
F |
G |
δ |
l |
s×d |
AC |
HA |
L |
|
YGJ802 |
φ144 |
φ133 |
φ10 |
3 |
8.2 |
4 |
35 |
3×M8 |
136 |
158 |
167 |
|
YGJ100SA |
φ170 |
φ157 |
φ14 |
5 |
12.1 |
2 |
40 |
3×M10 |
167 |
190 |
169 |
|
YGJ100M12A |
219 | ||||||||||
|
YGJ100LA |
249 | ||||||||||
|
YGJ100SB |
φ18 |
15.5 |
16 |
49 |
169 | ||||||
|
YGJ100M12B |
219 | ||||||||||
|
YGJ100LB |
249 |