格鲁夫丝杆升降机

|
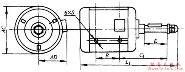
中心高 |
极数 |
B |
C1 |
E |
S |
AD |
AC |
L1 |
|
100M |
6.8 |
110 |
140 |
60 |
M10 |
180 |
210 |
390 |
|
100L |
415 | |||||||
|
132S |
6
8.12 |
150 |
164 |
80 |
M12 |
210 |
275 |
465 |
|
160M |
183 |
505 | ||||||
|
160M |
6
12.16 |
225 |
100 |
240 |
325 |
555 | ||
|
160L |
235 |
575 |

|
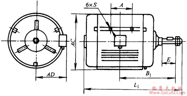
型号 |
极数 |
A |
B1 |
E |
AD |
L1 |
AC |
S |
|
YPZ90S |
6 |
85 |
106 |
50 |
160 |
315 |
175 |
M8 |
|
YPZ90L |
110 |
118.5 |
310 | |||||
|
YPZ100L |
6、8 |
131 |
60 |
180 |
382 |
215 |
M10 | |
|
YPZ112M |
111 |
190 |
400 |
240 |
M12 | |||
|
YPZ132S |
6、8、12 |
150 |
160 |
80 |
210 |
475 |
275 | |
|
YPZ132M |
179 |
513 |