QQ:20275456

|
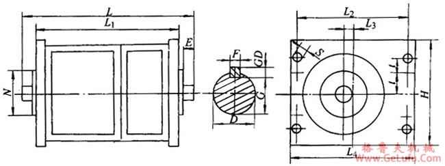
型号 |
D |
E |
F×GD |
G |
N |
t |
S |
L1 |
L2 |
L3 |
L4 |
H |
L |
|
DMB-22 |
55/45 |
55/55 |
16×10/12×8 |
49/34.8 |
200 |
|
4×φ26 |
690 |
|
0 |
460 |
380 |
800 |
|
DMB- |
60/45 |
49/54 |
16×10/12×8 |
54/40 |
310 |
270 |
4×φ28 |
690 |
444 |
45 |
490 |
390 |
813 |
|
DMB- |
48 |
88 |
|
52 |
310 |
242 |
4×φ21 |
690 |
456 |
20 |
550 |
390 |
855 |
|
DMB- |
|
150 |
|
|
140 |
230 |
4×φ32 |
770 |
456 |
0 |
500 |
328 |
984 |
|
DMB- |
|
110 |
|
|
332 |
260 |
6×φ22 |
800 |
440 |
30 |
500 |
380 |
918 |
|
DMB- |
75 |
105 |
20×12 |
67.8 |
500 |
|
4×φ24 |
930 |
600 |
0 |
640 |
785 |
1035 |
|
DM2B- |
|
33 |
|
|
240 |
280 |
4×φM36 |
400 |
344 |
0 |
400 |
452 |
954 |
|
JDMB- |
|
2×65 |
|
|
160 |
250 |
4×φM36 |
1060 |
660 |
130 |
730 |
350 |
1230 |
|
JDMB- |
|
2×90 |
|
|
280 |
320/360 |
8×φ30/
8×φ32 |
880 |
700/440 |
130/26 |
500 |
460 |
1100 |
|
JDMB- |
70 |
2×39 |
2(20×12) |
62.5 |
280 |
280/360 |
8×φ32 |
880 |
440 |
26 |
500 |
460 |
939 |
|
DM4B-100S |
80/42 |
124/47 |
24×14/12×8 |
73/37.5 |
260/200 |
280 |
8×φ26 |
1000 |
662 |
0 |
730 |
410 |
1197 |
|
YBCS-100 |
75/75 |
2×75 |
20×12/20×22 |
69/69 |
260/260 |
280 |
8×φ26 |
1060 |
650 |
0 |
775 |
350 |
1186 |
|
DMB-135S |
|
2×67 |
|
|
160 |
250 |
4×φ36 |
1140 |
660 |
130 |
750 |
390 |
1270 |
|
JDM2B-150S |
|
2×90 |
|
|
280 |
326 |
8×φM30 |
1050 |
700 |
130 |
760 |
460 |
1270 |
|
JDM2B-150SA |
|
2×90 |
|
|
280 |
320 |
8×φM30 |
1050 |
700 |
130 |
760 |
460 |
1270 |
|
JDM2B-150SB |
|
2×90 |
|
|
280 |
320 |
8×φM30 |
1050 |
700 |
130 |
760 |
460 |
1270 |
|
JDM2B-150SC |
|
2×45 |
|
|
280 |
320 |
8×φM30
|
1050 |
700 |
130 |
760 |
460 |
1180 |
|
JM4B-150SA |
|
2×80 |
|
|
247 |
|
4×φ22 |
1045 |
φ570 |
0 |
500 |
500 |
1180 |
|
DM4B-150SB |
|
2×80 |
|
|
247 |
|
4×φ22 |
1045 |
φ570 |
|
500 |
500 |
1148 |
|
DM4B-150SC |
|
50 |
|
|
280 |
360 |
5×φ32 |
790 |
690 |
125 |
750 |
500 |
840 |
|
YBCS2-150 |
|
2×62.5 |
|
|
220 |
300 |
12×φ33 |
1060 |
720 |
95 |
820 |
400 |
1250 |
|
YBCS2-150 |
|
120 |
|
|
500 |
|
4×φ26 |
|
650 |
|
|
800 |
690 |
|
YBCS3-150 |
75 |
102 |
|
|
260 |
320 |
|
940 |
480 |
25 |
580 |
460 |
1062 |
|
DMB-160S |
|
2×113 |
|
|
200 |
280 |
|
1100 |
662 |
|
730 |
472 |
1370 |
|
DMB-170S |
80 |
2×125 |
22×14 |
71 |
300 |
320 |
|
1100 |
650 |
84.5 |
725 |
460 |
1400 |
|
DMB-170SA |
80 |
2×125 |
22×14 |
71 |
300 |
440 |
|
1100 |
880 |
105 |
960 |
520 |
1400 |
|
YBCS-180 |
|
2×52 |
|
|
250 |
330 |
|
1180 |
705 |
185 |
775 |
420 |
1324 |
|
DMB-200S |
|
2×45 |
|
|
250 |
350 |
|
1130 |
750 |
90 |
820 |
500 |
1270 |
|
DM2B-200S |
|
2×125 |
|
|
300 |
440 |
|
1100 |
880 |
105 |
960 |
520 |
1400 |
|
DM3B-200S |
|
2×90 |
|
|
280 |
320 |
|
1050 |
700 |
145 |
790 |
460 |
1270 |
|
YBCS-200 |
|
2×45 |
|
|
280 |
320 |
|
1050 |
700 |
145 |
760 |
460 |
1180 |
|
YBCS-200A |
|
2×88 |
|
|
300 |
360 |
|
1100 |
705 |
125 |
781 |
490 |
1400 |
|
YBCS2-200 |
|
29 |
|
|
388 |
|
|
|
575 |
|
|
790 |
886 |
|
YBCS-250 |
|
2×45 |
|
|
250 |
350 |
|
1230 |
750 |
90 |
820 |
500 |
1370 |
|
DMB-300S |
100 |
2×71 |
2(28×16)-120° |
89.7 |
250 |
440 |
|
1200 |
890 |
90 |
960 |
605 |
1340 |
|
DM2B-300S |
|
160/100 |
|
|
248/160 |
320 |
|
1200 |
623 |
135.5 |
746 |
485 |
1460 |
|
DM3B-300S |
|
2×50 |
|
|
250 |
440 |
|
1200 |
890 |
80 |
960 |
600 |
1340 |
|
YBCS-300 |
100 |
2×71 |
2(28×16)-120° |
89.7 |
250 |
440 |
|
1200 |
890 |
80 |
960 |
605 |
1340 |
|
DMB-375S |
|
2×83 |
|
|
319.9 |
412 |
|
1140 |
764 |
130 |
820 |
500 |
1340 |
|
YBCS-400 |
110 |
2×71 |
2(28×16)-120° |
89.7 |
280 |
480 |
|
1140 |
890 |
80 |
960 |
605 |
1540 |