格鲁夫减速机

|
型号 |
P |
M |
N |
L |
L1 |
L2 |
L3 |
E |
D |
F |
G |
S |
|
YDW0.25-6 |
φ190 |
φ165 |
φ140 |
265 |
89 |
175 |
185 |
40 |
φ19 |
6 |
15.5 |
φ10 |
|
YDW0.37-6 |
φ190 |
φ165 |
φ140 |
295 |
295 |
205 |
215 |
40 |
φ19 |
6 |
15.5 |
φ10 |
|
YDW0.55-6 |
φ210 |
φ190 |
φ160 |
305 |
305 |
215 |
225 |
40 |
φ19 |
6 |
15.5 |
φ10 |
|
YDW0.8-6 |
φ250 |
φ230 |
φ200 |
380 |
380 |
220 |
260 |
60 |
φ28 |
8 |
24 |
φ12 |
|
YDW1.1-6 |
φ250 |
φ230 |
φ200 |
390 |
390 |
230 |
270 |
60 |
φ28 |
8 |
24 |
φ12 |
|
YDW1.5-6 |
φ275 |
φ250 |
φ215 |
390 |
390 |
240 |
269 |
60 |
φ28 |
8 |
24 |
φ12 |
|
YDW1.8-6 |
φ275 |
φ250 |
φ215 |
400 |
400 |
250 |
279 |
60 |
φ28 |
8 |
24 |
φ12 |
|
YDW2.2-6 |
φ275 |
φ250 |
φ215 |
420 |
420 |
270 |
299 |
60 |
φ28 |
8 |
24 |
φ12 |
|
YDW4-6 |
φ340 |
φ310 |
φ275 |
530 |
530 |
310 |
370 |
60 |
φ38 |
8 |
33 |
φ14 |

|
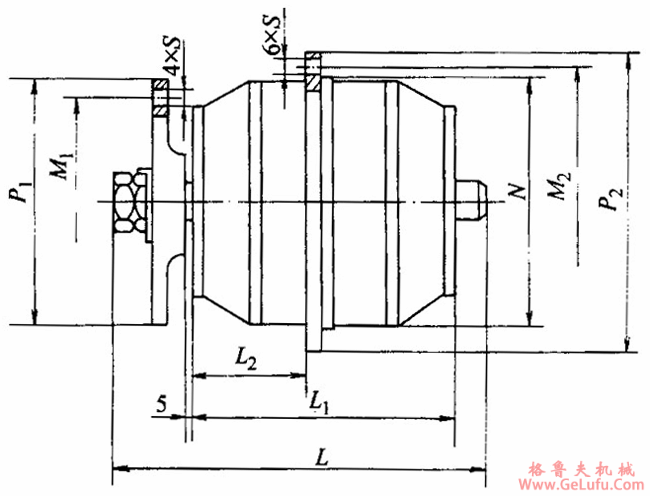
型号 |
P1 |
M1 |
N |
M2 |
P2 |
L |
L1 |
L2 |
S |
|
YDW0.25-6 |
φ150 |
φ120 |
φ140 |
φ165 |
190 |
175 |
175 |
86 |
φ10 |
|
YDW0.37-6 |
φ150 |
φ120 |
φ140 |
φ165 |
190 |
205 |
205 |
91 |
φ10 |
|
YDW0.55-6 |
φ170 |
φ140 |
φ160 |
φ190 |
200 |
215 |
215 |
109 |
φ10 |
|
YDW0.8-6 |
φ210 |
φ180 |
φ200 |
φ230 |
250 |
220 |
220 |
113 |
φ12 |
|
YDW1.1-6 |
φ210 |
φ180 |
φ200 |
φ230 |
250 |
231 |
231 |
118.5 |
φ12 |
|
YDW1.5-6 |
φ230 |
φ200 |
φ215 |
φ250 |
275 |
240 |
240 |
113 |
φ12 |
|
YDW1.8-6 |
φ230 |
φ220 |
φ215 |
φ250 |
275 |
250 |
250 |
126 |
φ12 |
|
YDW2.2-6 |
φ230 |
φ220 |
φ215 |
φ250 |
275 |
270 |
270 |
136 |
φ12 |