您好,欢迎进入格鲁夫机械设备制造有限公司官网!
减速机|丝杆升降机|减速电机|行业专用减速机|减速机配件|减速机厂|丝杆升降机厂|转向器厂

联系我们

邮箱:china@gelufu.com
电话:0312-6784766
在线咨询

VA、VB系列振动三相异步电动机概述及结构简介

发布日期:2023-12-28 21:19 浏览次数:

VA、VB系列振动三相异步电动机概述及结构简介(图1) Mobile:13331225020

一、概述
VA、VB系列振动三相异步电动机是电机制造厂与日本中岛技术公司共同开发的新产品。其中VA系列电动机为。
该电动机为各类振动机械的通用型激振源,如振动给料机、振动运输机、振动放旷机、振动落砂机、振动筛分机、料仓的振动防闭塞装置等。广泛应用于电力、建材、煤碳、矿山、冶金、化工、轻工、铸造等行业。
电动机的激振力与出力配合适当,机体重量轻、体积小;因利用平稳的回转产生振动,所以电动机的噪音低,电动机寿命长,其中轴承寿命:2极电动机达5000h,4、6、8极电动机达10000h。
电动机可多机组合成各种振动形式,以完成各种作业要求,满足各类振动机械的工作需要。
使用条件环境温度不超过40℃;海拔不超过1000m;电压为380V、660V;频率为50HZ;接法为Y/△ 连接;工作方式为连续(S1)。
电动机采用全封闭结构,可在任何无防爆要求的粉尘条件下工作。
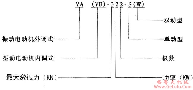
型号含义
VA、VB系列振动三相异步电动机概述及结构简介(图2)
二、结构简介
VA系列电动机的外调式;VB系列系列电动机为内调式。VA、VB系列电机均为全封闭结构、安装方式为任意方向。
VA、VB系列电动机只需调节偏心块夹角,就可无级调整机振力。其中VA系列是在不折卸情况下,方便地无极调节激振力大小。

Copyright © 2023-2025 格鲁夫 版权所有 备案号:冀ICP备19023093号-2

电子营业执照图标 电子营业执照
选择语言
Hello,欢迎来咨询~