WX:grove_company

|
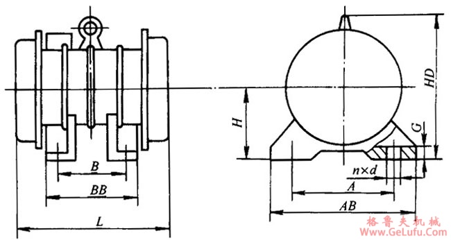
型号 |
A |
B |
n×d |
d |
H |
G |
AB |
BB |
HD |
L |
|
YJZ1-2 |
120 |
80 |
4×φ10 |
φ1.0 |
65 |
10 |
145 |
70 |
170 |
200 |
|
YJZ2-2 |
150 |
80 |
4×φ14 |
90 |
14 |
180 |
130 |
200 |
230 | |
|
YJZ2-2 |
150 |
80 |
4×φ14 |
90 |
14 |
180 |
130 |
200 |
260 | |
|
YJZ5-2 |
180 |
110 |
4×φ18 |
100 |
16 |
240 |
170 |
220 |
330 | |
|
YJZ10-2 |
180 |
110 |
4×φ18 |
100 |
16 |
240 |
170 |
220 |
390 | |
|
YJZ20-2 |
260 |
150 |
4×φ26 |
145 |
24 |
325 |
214 |
295 |
480 | |
|
YJZ30-2 |
310 |
170 |
4×φ33 |
φ1.5 |
160 |
28 |
380 |
280 |
363 |
520 |
|
YJZ50-2 |
350 |
220 |
4×φ35 |
190 |
33 |
430 |
350 |
385 |
580 |

|
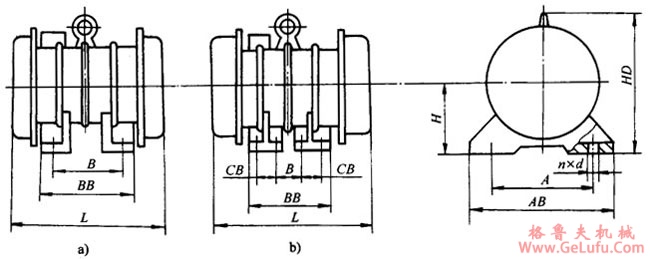
型号 |
A |
B |
CB |
n×d |
d |
H |
G |
AB |
BB |
HD |
L |
结构图 |
|
YJZ2-4 |
150 |
80 |
― |
4×φ14 |
φ1.0 |
90 |
14 |
180 |
130 |
200 |
240 |
a |
|
YJZ3-4 |
150 |
80 |
― |
4×φ14 |
90 |
14 |
180 |
130 |
200 |
250 |
a | |
|
YJZ5-4 |
180 |
110 |
― |
4×φ18 |
100 |
16 |
240 |
170 |
220 |
330 |
a | |
|
YJZ10-4 |
220 |
140 |
― |
4×φ22 |
120 |
18 |
270 |
200 |
250 |
390 |
a | |
|
YJZ20-4 |
260 |
150 |
― |
4×φ26 |
φ1.5 |
145 |
24 |
325 |
214 |
295 |
480 |
a |
|
YJZ30-4 |
310 |
170 |
― |
4×φ33 |
160 |
28 |
380 |
280 |
363 |
530 |
a | |
|
YJZ75-4 |
350 |
220 |
― |
4×φ35 |
190 |
33 |
430 |
350 |
385 |
590 |
a | |
|
YJZ100-4 |
380 |
125 |
― |
4×φ35 |
210 |
35 |
480 |
364 |
447 |
650 |
b | |
|
YJZ2-6 |
440 |
140 |
― |
4×φ45 |
240 |
35 |
530 |
450 |
520 |
720 |
b | |
|
YJZ2-6 |
180 |
110 |
― |
4×φ18 |
φ1.0 |
100 |
16 |
240 |
170 |
220 |
375 |
a |
|
YJZ2-6YJZ |
220 |
140 |
― |
4×φ22 |
120 |
18 |
270 |
200 |
250 |
400 |
a | |
|
YJZ2-6 |
260 |
150 |
― |
4×φ26 |
|
145 |
24 |
325 |
214 |
295 |
497 |
a |
|
YJZ2-6 |
― | |||||||||||
|
YJZ2-6 |
310 |
170 |
― |
4×φ33 |
φ1.5 |
160 |
28 |
380 |
280 |
363 |
600 |
a |
|
YJZ2-6 |
350 |
220 |
― |
4×φ35 |
190 |
33 |
430 |
350 |
385 |
648 |
a | |
|
YJZ2-6 |
380 |
254 |
― |
4×φ35 |
210 |
35 |
480 |
364 |
447 |
699 |
a | |
|
YJZ2-6 |
440 |
280 |
― |
4×φ45 |
240 |
35 |
545 |
380 |
497 |
730 |
a | |
|
YJZ2-6 |
540 |
340 |
130 |
4×φ39 |
260 |
40 |
640 |
690 |
590 |
890 |
a | |
|
YJZ2-6 |
130 |
4×φ45 |
280 |
960 |
a | |||||||
|
YJZ2-8 |
260 |
150 |
|
4×φ26 |
φ1.0 |
145 |
24 |
325 |
214 |
295 |
450 |
a |
|
YJZ2-8 |
310 |
170 |
|
4×φ33 |
160 |
28 |
380 |
280 |
363 |
530 |
a | |
|
YJZ2-8 |
350 |
220 |
|
4×φ35 |
φ1.5 |
190 |
33 |
430 |
350 |
385 |
580 |
a |
|
YJZ2-8 |
380 |
254 |
|
4×φ35 |
210 |
35 |
480 |
364 |
447 |
710 |
a | |
|
YJZ2-8 |
440 |
280 |
130 |
4×φ52 |
φ2.0 |
240 |
40 |
550 |
450 |
520 |
780 |
b |
|
YJZ2-8 |
540 |
340 |
150 |
4×φ39 |
φ1.5 |
260 |
40 |
640 |
690 |
590 |
910 |
b |
|
YJZ2-8 |
600 |
370 |
150 |
4×φ45 |
280 |
40 |
710 |
770 |
640 |
1030 |
b | |
|
YJZ2-8 |
600 |
370 |
150 |
4×φ45 |
280 |
40 |
710 |
770 |
640 |
1100 |
b |