电话:0312-6784766
|
机座号
(中心高)
H |
A |
B |
C |
D |
D1 |
E |
E1 |
F |
G |
K |
螺栓
直径 |
AB |
AC |
BB |
HD |
L |
|
112M |
190 |
140 |
70 |
32 |
― |
80 |
― |
10 |
27 |
12 |
M10
1 |
250 |
245 |
235 |
335 |
670 |
|
132M |
216 |
178 |
89 |
38 |
33 |
275 |
285 |
260 |
365 |
730 | ||||||
|
160M |
254 |
210 |
108 |
48 |
110
1 |
14 |
42.5
1 |
15 |
M12 |
320 |
325 |
290 |
425 |
875 | ||
|
160L |
254 |
335 |
920 | |||||||||||||
|
180L |
279 |
279 |
121 |
55 |
|
82 |
19.9 |
360 |
360 |
380 |
465 |
1010 | ||||
|
200L |
318 |
305 |
133 |
60 |
|
140 |
82 |
16 |
21.4 |
19 |
M16 |
405 |
405 |
400 |
510 |
1110 |
|
225M |
356 |
311 |
149 |
65 |
|
140 |
105 |
16 |
23.9 |
19 |
M16 |
455 |
430 |
410 |
545 |
1370 |
|
250M |
406 |
349 |
168 |
70 |
|
140 |
105 |
18 |
25.4 |
24 |
M20 |
515 |
480 |
510 |
605
|
1680 |

|
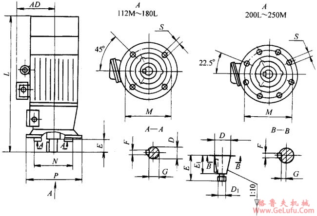
机座号 |
凸缘号 |
D |
D1 |
E |
E1 |
F |
G |
M |
N |
P |
S |
螺栓
直径 |
孔数
(个) |
AD |
L |
|
112M |
FF215 |
32
|
― |
80 |
― |
10 |
27 |
215 |
180 |
250 |
15 |
M12 |
4 |
220 |
670 |
|
132M |
FF265 |
38
|
33 |
265 |
230 |
300 |
220 |
730 | |||||||
|
160M |
FF300 |
55 |
110 |
14 |
42.5 |
300 |
250 |
350 |
19 |
M16 |
220 |
905 | |||
|
160L |
950 | ||||||||||||||
|
180L |
M36×3 |
82 |
19.9 |
280 |
1020 |

|
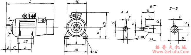
机座号 |
凸缘号 |
D |
D1 |
E |
E1 |
F |
G |
M |
N |
P |
S |
螺栓
直径 |
孔数
(个) |
AD |
L |
|
112M |
FF215 |
32 |
― |
80 |
― |
10 |
27 |
215 |
180 |
250 |
15 |
M12 |
4 |
220 |
670 |
|
132M |
FF265 |
38 |
33 |
265 |
230 |
300 |
230 |
730 | |||||||
|
160M |
FF300 |
48 |
110 |
14 |
42.5 |
300 |
250 |
350 |
19 |
M16 |
260 |
905 | |||
|
160L |
950 | ||||||||||||||
|
180L |
55 |
M36×3 |
82 |
19.9 |
280 |
1020 | |||||||||
|
200L |
FF400 |
60 |
M42×3 |
140 |
16 |
21.4 |
400 |
350 |
450 |
8 |
320 |
1190 | |||
|
225M |
65 |
105 |
23.9 |
1250 | |||||||||||
|
250M |
FF500 |
70 |
M48×3 |
18 |
25.4 |
500 |
450 |
550 |
355 |
1750 |