gelufu.com

|
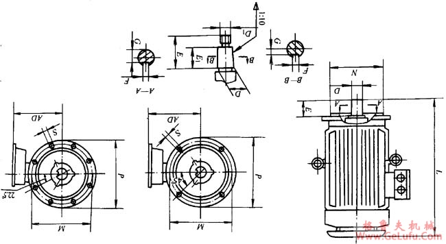
机座号 |
A |
B |
C① |
D② |
D1 |
E |
E1 |
F |
G |
H |
K |
|
AB |
AC |
AD |
BB |
HD |
L |
LC |
|
100L |
160 |
140 |
63 |
28 |
- |
60 |
- |
8 |
24 |
100 |
12 |
M10 |
206 |
210 |
135 |
210 |
285 |
533 |
593 |
|
112M |
190 |
140 |
70 |
32 |
80 |
10 |
27 |
112 |
350 |
235 |
160 |
225 |
315 |
590 |
670 | ||||
|
132M |
216 |
178 |
89 |
38 |
33 |
132 |
275 |
285 |
240 |
355 |
647 |
727 | |||||||
|
160M |
254 |
210 |
108
|
48 |
110 |
14 |
42.5 |
160 |
15 |
|
320 |
320 |
200 |
290 |
425 |
758 |
868 | ||
|
160L |
254 |
|
330 |
802 |
912 | ||||||||||||||
|
180L |
279 |
279 |
121 |
55 |
M36×3 |
82 |
19.9 |
180 |
|
360 |
360 |
380 |
470 |
870 |
980 | ||||
|
200L |
318 |
305 |
133 |
60 |
M42
×3 |
140 |
105 |
16 |
21.4 |
200 |
19 |
|
406 |
406 |
245 |
390 |
520 |
978 |
1118 |
|
225M |
356 |
311 |
149 |
65 |
23.9 |
225 |
|
455 |
425 |
410 |
560 |
1050 |
1190 | ||||||
|
250M |
406 |
349 |
168
190 |
70 |
M48×3 |
18 |
25.4 |
250 |
24 |
|
515 |
470 |
315 |
500 |
625 |
1195 |
1337 | ||
|
280S |
457 |
368 |
85 |
M56×4 |
170 |
130 |
20 |
31.7 |
280 |
|
|
575 |
530 |
|
520 |
|
1265 |
1438 | |
|
280M |
419 |
|
570 |
1315 |
1489 | ||||||||||||||
|
315S |
508 |
406 |
216 |
95 |
M64×4 |
22 |
35.2 |
315 |
28 |
|
640 |
620 |
370 |
550 |
|
1385 |
1562 | ||
|
315M |
457 |
|
600 |
1443 |
1613 | ||||||||||||||
|
355M |
610 |
560 |
254 |
110 |
M80×4 |
210 |
165 |
25 |
41.9 |
355 |
|
740 |
695 |
440 |
710 |
|
1654 |
1864 | |
|
355L |
630 |
|
780 |
1724 |
1934 | ||||||||||||||
|
400L |
686 |
710 |
280 |
130 |
M100×4 |
250 |
200 |
28 |
50 |
400 |
35 |
|
855 |
800 |
880 |
|
1870 |
2120 |

|
机座号 |
凸缘号 |
D① |
D1 |
E |
E1 |
F |
G |
M |
N |
P② |
S |
螺栓直径 |
孔数
(个) |
AD |
L |
|
100L |
FF215 |
28 |
- |
60 |
- |
8 |
24 |
215 |
180 |
250 |
15 |
M12 |
4 |
180 |
533 |
|
112M |
32 |
80 |
10 |
27 |
203 |
590 | |||||||||
|
132M |
FF265 |
38 |
33 |
265 |
230 |
300 |
218 |
647 | |||||||
|
160M |
FF300 |
48 |
110 |
14 |
42.5 |
300 |
250 |
350 |
19 |
M16 |
265 |
758 | |||
|
160L |
802 | ||||||||||||||
|
180L |
55 |
M30×2 |
82 |
19.9 |
285 |
870 | |||||||||
|
200L |
FF400 |
60 |
M42×2 |
140 |
105 |
16 |
21.4 |
400 |
350 |
450 |
8 |
317 |
978 | ||
|
225M |
65 |
23.9 |
335 |
1050 |

|
机座号 |
凸缘号 |
D |
D1 |
E |
E1 |
F |
G |
M |
N |
P |
S |
螺栓直径 |
孔数(个) |
AD |
L |
|
100L |
FF215 |
28 |
- |
60 |
- |
8 |
24 |
215 |
180 |
250 |
15 |
M12 |
4 |
180 |
573 |
|
112 |
32 |
- |
80 |
10 |
27 |
203 |
630 | ||||||||
|
132 |
FF265 |
38 |
33 |
265 |
230 |
300 |
218 |
687 | |||||||
|
160 |
FF300 |
48 |
- |
110 |
14
1 |
42.5 |
300 |
250 |
350 |
19 |
M16 |
265 |
808 | ||
|
160 |
852 | ||||||||||||||
|
180 |
55 |
|
82 |
19.9 |
285 |
920 | |||||||||
|
200 |
FF500 |
60 |
|
140 |
105 |
116 |
21.4 |
400 |
350
4 |
450 |
19 |
8 |
317 |
1028 | |
|
23.9 | |||||||||||||||
|
225 |
65 |
18 |
25.4 |
335 |
1100 | ||||||||||
|
250 |
70 |
|
18 |
31.7
3 |
500 |
4 |
|
375 |
1257 | ||||||
|
280 |
FF600 |
85 |
|
|
130 |
220 |
|
450 |
550 |
|
|
|
455 |
1328 | |
|
280 |
|
|
|
170 |
|
1379 | |||||||||
|
315 |
|
95 |
|
22 |
35.2 |
600 |
550 |
660 |
24 |
M20 |
520 |
1452 | |||
|
315 |
|
|
1503 |