格鲁夫机械

|
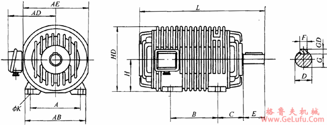
机座号 |
A |
B |
C |
D |
E |
F |
G |
GD |
H |
K |
AB |
AE |
AD |
HD |
L |
|
112L |
190 |
159 |
70 |
32 |
80 |
10 |
27 |
8 |
112 |
12 |
235 |
240 |
205 |
240 |
445 |
|
132M |
216 |
178 |
89 |
38 |
33 |
132 |
265 |
265 |
220 |
265 |
495 | ||||
|
160S |
254 |
108 |
48 |
110 |
14 |
42.5 |
9 |
160 |
15 |
315 |
315 |
250 |
320 |
570 | |
|
160L |
254 |
690 | |||||||||||||
|
180L |
279 |
279 |
121 |
55 |
16 |
49 |
10 |
180 |
360 |
360 |
295 |
365 |
730 | ||
|
200L |
318 |
305 |
133 |
65 |
140 |
18 |
58 |
11 |
200 |
19 |
415 |
415 |
320 |
415 |
780 |
|
225M |
356 |
311 |
149 |
75 |
20 |
67.5 |
12 |
225 |
470 |
470 |
335 |
465 |
835 |
手机:13331225020

|
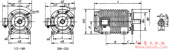
机座号 |
D |
E |
F |
G |
GD |
M |
N |
P |
S |
AE |
AD |
HF |
L |
|
112L |
32 |
80 |
10 |
27 |
8 |
215 |
180 |
250 |
15 |
240 |
205 |
240 |
445 |
|
132M |
38 |
33 |
265 |
230 |
300 |
265 |
220 |
285 |
495 | ||||
|
160S |
48 |
110 |
14 |
42.5 |
9 |
300 |
250 |
350 |
19 |
315 |
250 |
335 |
570 |
|
160L |
690 | ||||||||||||
|
180L |
55 |
16 |
49 |
10 |
360 |
295 |
355 |
730 | |||||
|
200L |
65 |
140 |
18 |
58 |
11 |
400 |
350 |
450 |
415 |
320 |
450 |
780 | |
|
225M |
75 |
20 |
67.5 |
12 |
470 |
335 |
465 |
835 |

|
机座号 |
A |
B |
C |
D |
E |
F |
G |
GD |
H |
K |
M |
N |
P |
S |
AB |
AE |
AD |
HD |
L |
|
112L |
190 |
159 |
70 |
32 |
80 |
10 |
27 |
8 |
112 |
12 |
215 |
180 |
250 |
15 |
235 |
240 |
205 |
240 |
445 |
|
132M |
216 |
178 |
89 |
38 |
33 |
132 |
265 |
230 |
300 |
265 |
265 |
220 |
290 |
495 | |||||
|
160S |
254 |
108 |
48 |
110 |
14 |
42.5 |
9 |
160 |
15 |
300 |
250 |
350 |
19 |
315 |
315 |
250 |
345 |
570 | |
|
160L |
254 |
690 | |||||||||||||||||
|
180L |
279 |
279 |
121 |
55 |
16 |
49 |
10 |
180 |
360 |
360 |
295 |
365 |
730 | ||||||
|
200L |
318 |
305 |
133 |
65 |
140 |
18 |
58 |
11 |
200 |
19 |
400 |
350 |
450 |
415 |
415 |
320 |
430 |
780 | |
|
225M |
356 |
311 |
149 |
75 |
20 |
67.5 |
12 |
225 |
470 |
470 |
335 |
465 |
835 |
格鲁夫减速机