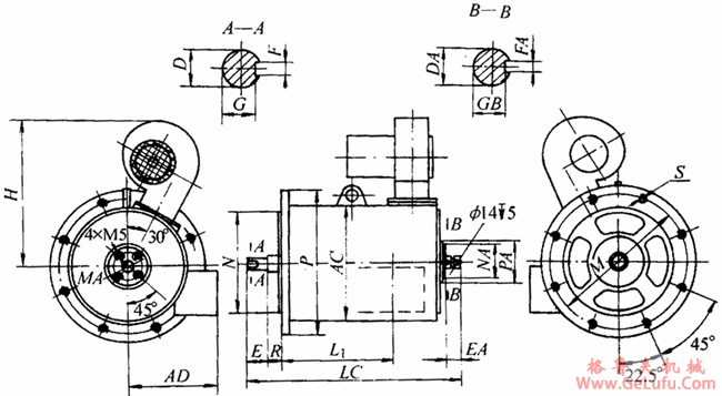
格鲁夫减速机

|
型 号 |
D |
E |
F |
G |
M |
N |
P |
R |
S |
S螺孔对
其公称位
置偏差 |
DA |
EA |
FA |
GB |
MA |
NA |
PA |
AC |
AD |
H |
LC |
L1 |
|
YYTD-5.5 |
40 |
110 |
12 |
35 |
450 |
400 |
500 |
5 |
M16 |
0.70 |
― |
55 |
― |
― |
― |
― |
― |
390 |
320 |
510 |
750
|
375 |
|
YYTD-7.5 | ||||||||||||||||||||||
|
YYTD-11 |
40 |
63 |
4 |
37.5 |
122 |
132 |
136 | |||||||||||||||
|
YYTD-15 |
50 |
14 |
44.5 |
430 |
360 |
590 |
765 | |||||||||||||||
|
YYTD-18.5 |
700 |
|
325 | |||||||||||||||||||
|
YYTD-22 |
55 |
16 |
49 |
550 |
500 |
600 |
40 |
― |
55 |
― |
― |
― |
― |
― |
485 |
405 |
555 |
915 |
505 |
格鲁夫齿轮箱

|
型 号 |
D |
E |
F |
G |
M |
N |
P |
R |
S |
S螺孔对
其公称位
置偏差 |
DA |
EA |
FA |
GB |
MA |
NA |
PA |
AC |
AD |
H |
L |
L1 |
|
YYTD-5.5 |
40 |
70 |
10 |
35.5 |
415 |
345 |
450 |
45 |
M16 |
0.70 |
― |
55 |
― |
― |
― |
― |
― |
390 |
320 |
510 |
750 |
375 |
|
YYTD-7.5 | ||||||||||||||||||||||
|
YYTD-11 |
40 |
63 |
4 |
37.5 |
122 |
132 |
136 | |||||||||||||||
|
YYTD-15 |
50 |
12 |
45.5 |
430 |
360 |
590 |
765 | |||||||||||||||
|
YYTD-18.5 |
|
325 | ||||||||||||||||||||
|
YYTD-22 |
55 |
95 |
15 |
50 |
545 |
510 |
580 |
55 |
― |
55 |
― |
― |
― |
― |
― |
485 |
405 |
700 |
915 |
505 |
gelufu.com