www.gelufu.com.cn




|
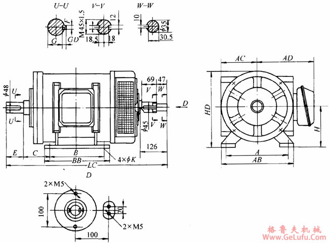
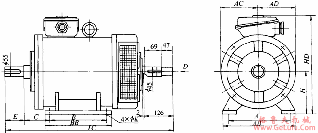
型号 |
H |
A |
B |
C |
E |
F×GD |
G |
K |
AB |
AC |
AD |
BB |
HD |
LC |
|
YTDP270.10-4 |
180 |
279 |
241 |
121 |
82 |
14×9 |
42.5 |
15 |
340 |
180 |
260 |
310 |
360 |
732 |
|
YTDP270.15-4 | ||||||||||||||
|
YTDP270.15-6 | ||||||||||||||
|
YTDP270.20-4 |
279 |
350 |
787 | |||||||||||
|
YTDP270.20-6 | ||||||||||||||
|
YTDP335.16-4 |
225 |
356 |
286 |
149 |
110 |
16×10 |
49 |
19 |
435 |
220 |
220 |
360 |
530 |
864 |
|
YTDP335.16-6 | ||||||||||||||
|
YTDP335.18-6 | ||||||||||||||
|
YTDP335.22-6 |
格鲁夫配件