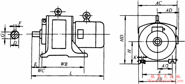
YCTF系列风机、泵用电磁调速异步电动机外形尺寸(H100~355mm)
发布日期:2023-12-28 21:07
浏览次数:
Tel:0312-6784766
YCTF系列外形尺寸图(H100~450) gelufu.com
格鲁夫减速机
|
中心高 |
A |
WB |
WC |
D |
E |
F |
G |
H |
K |
AB |
AC |
AD |
L |
HD |
|
100 |
160 |
203 |
40 |
19 |
40 |
6 |
15.5 |
100 |
12 |
210 |
225 |
150 |
530 |
260 |
|
112 |
170 |
228 |
45 |
24 |
50 |
8 |
20 |
112 |
250 |
275 |
165 |
660 |
285 |
|
132 |
216 |
267 |
45 |
28 |
60 |
24 |
132 |
310 |
33 |
195 |
730 |
365 |
|
160 |
279 |
305 |
70 |
38 |
80 |
10 |
33 |
160 |
15 |
380 |
400 |
235 |
900 |
435 |
|
180 |
318 |
368 |
70 |
42 |
110 |
12 |
37 |
180 |
430 |
450 |
270 |
1080 |
490 |
|
200 |
356 |
457 |
89 |
48 |
110 |
14 |
42.5 |
200 |
19 |
500 |
520 |
295 |
1190 |
540 |
|
225 |
406 |
500 |
55 |
110 |
16 |
49 |
225 |
530 |
550 |
320 |
1290 |
580 |
|
250 |
406 |
457 |
60 |
140 |
18 |
53 |
250 |
24 |
530 |
550 |
350 |
1400 |
600 |
|
280 |
457 |
508 |
65 |
140 |
18 |
58 |
280 |
580 |
610 |
390 |
1520 |
650 |
|
315 |
508 |
560 |
75 |
140 |
20 |
67.5 |
315 |
28 |
650 |
690 |
420 |
1670 |
790 |
|
355 |
610 |
630 |
108 |
80 |
170 |
22 |
71 |
355 |
28 |
730 |
730 |
365 |
1225 |
775 |
|
400 |
710 |
650 |
85 |
170 |
22 |
76 |
400 |
32 |
840 |
840 |
420 |
1400 |
900 |
|
450 |
710 |
650 |
90 |
170 |
25 |
81 |
450 |
35 |
900 |
900 |
450 |
1500 |
900 |
www.gelufu.com.cn