格鲁夫齿轮箱
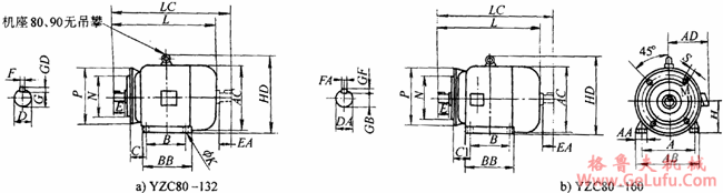
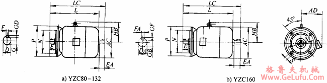
YZC系列外形尺寸图(B3) mail:china@gelufu.com
www.gelufu.com.cn
|
型 号 |
标准(IEC)
机座号 |
A |
AA |
AB |
AC |
AD |
B |
BB |
C |
H |
HC |
HD |
K |
L |
LC |
LD |
|
YZC80 |
80-19 |
125 |
37 |
165 |
165 |
150 |
100 |
135 |
50 |
80 |
170 |
― |
10 |
285 |
332 |
― |
|
YZC90S |
90S24 |
140
140 |
37
37 |
180
180 |
175
175 |
155
155 |
100
125 |
135
160 |
56
56 |
90 |
190
190 |
― |
10
10 |
310
335 |
368
393 | |
|
YZC90L |
90L24 | |||||||||||||||
|
YZC100L |
100L28 |
160 |
42 |
205 |
205 |
180 |
140 |
180 |
63 |
100 |
― |
245 |
12 |
380 |
445 |
― |
|
YZC112M |
112M28 |
190 |
52 |
245 |
230 |
190 |
140 |
185 |
70 |
112 |
― |
265 |
12 |
400 |
463 |
― |
|
YZC132S |
132S38 |
216
216 |
63
63 |
280
280 |
270
270 |
210
210 |
140
178 |
205
248 |
89
89 |
132 |
― |
315
315 |
12
12 |
475
515 |
559
597 |
― |
|
YZC132M |
132M38 | |||||||||||||||
|
YZC160M |
160M42 |
254
254 |
73
73 |
330
330 |
325
325 |
255
255 |
210
254 |
275
320 |
108
108 |
160 |
― |
385
385 |
15
15 |
600
645 |
717
761 |
― |
|
YZC160L |
160L42 |

|
型 号 |
标准
(IEC)机座号 |
A |
AA |
AB |
AC |
AD |
B |
BB |
C1 |
H |
HD |
K |
L |
LC |
M |
N |
P |
S |
|
YZC80 |
80-19F165 |
125 |
37 |
165 |
165 |
150 |
100 |
135 |
50 |
80 |
― |
10 |
285 |
332 |
165 |
130 |
200 |
4×ф12 |
|
YZC90S |
90S24F165 |
140 |
37 |
180 |
175 |
155 |
100 |
135 |
56 |
90 |
― |
10 |
310 |
368 |
165 |
130 |
200 |
4×ф12 |
|
YZC90L |
90L24F165 |
175 |
125 |
160 |
335 |
393 | ||||||||||||
|
YZC100L |
100L28F215 |
160 |
42 |
205 |
205 |
180 |
140 |
180 |
63 |
100 |
245 |
12 |
380 |
445 |
215 |
180 |
250 |
4×ф15 |
|
YZC112M |
112M28F215 |
190 |
52 |
245 |
230 |
190 |
140 |
185 |
70 |
112 |
265 |
12 |
400 |
463 |
215 |
180 |
250 |
4×ф15 |
|
YZC132S |
132S28F265 |
216 |
63 |
280 |
270 |
210 |
140 |
205 |
89 |
132 |
315 |
12 |
475 |
559 |
265 |
230 |
300 |
4×ф15 |
|
YZC132M |
132H38F265 |
178 |
243 |
515 |
597 | |||||||||||||
|
YZC160M |
160M42F300 |
254 |
73 |
325 |
325 |
255 |
210 |
275 |
108 |
160 |
385 |
15 |
600 |
717 |
300 |
250 |
350 |
4×ф19 |
|
YZC160L |
160L42F300 |
254 |
320 |
645 |
761 |
|
中心高 |
标准(IAEC)机座号 |
D |
DA |
E |
EA |
F |
FA |
G |
GB |
GD |
GF | |
|
80 |
80-19 |
80-19F165 |
19 |
19 |
40 |
40 |
6 |
6 |
15.5 |
15.5 |
6 |
6 |
|
90S |
90S24 |
90S24F165 |
24 |
24 |
50 |
50 |
8 |
8 |
20 |
20 |
7 |
7 |
|
90L |
90L24 |
90L24F165 | ||||||||||
|
100L |
100L28 |
100L28F215 |
28 |
28 |
60 |
60 |
24 |
24 | ||||
|
112M |
112M28 |
112M28F215 | ||||||||||
|
132S |
132S38 |
132S38F265 |
38 |
38 |
80 |
80 |
10 |
10 |
33 |
33 |
8 |
8 |
|
132M |
132M38 |
132M38F265 | ||||||||||
|
160M |
160M42 |
160M42F300 |
42 |
42 |
110 |
110 |
12 |
12 |
37 |
37 | ||
|
160L |
160L42 |
160L42F300 | ||||||||||

|
型号 |
标准(IEC)机座号 |
AC |
AD |
HB |
L |
LC |
M |
N |
P |
S |
|
YZC80 |
8019F165 |
165 |
150 |
― |
285 |
332 |
165 |
130 |
200 |
4×ф12 |
|
YZC90S
YZC90L |
90S24F165
90L24F165 |
175 |
155 |
― |
310
335 |
368
393 |
165 |
130 |
200 |
4×ф12 |
|
YZC100L
YZC112M |
100L28F215
112M28F215 |
205
230 |
180
190 |
145
160 |
380
400 |
445
463 |
215 |
180 |
250 |
4×ф15 |
|
YZC132S
YZC132M |
132S38F265
132M38F265 |
270 |
210 |
178 |
475
515 |
559
597 |
265 |
230 |
300 |
4×ф15 |
|
YZC160M
YZC160L |
160M42F300
160L42F300 |
325 |
255 |
255 |
600
645 |
717
761 |
300 |
250 |
350 |
4×ф19 |
|
中心高 |
标准(IEC)机座号 |
D |
DA |
E |
EA |
F |
FA |
G |
GB |
GD |
GF |
|
80 |
19F165 |
19 |
19 |
40 |
40 |
6 |
6 |
15.5 |
15.5 |
6 |
6 |
|
90S
90L |
24F165
24F165 |
24
24 |
24
24 |
50 |
50 |
8 |
8 |
20 |
20 |
7 |
7 |
|
100L
112M |
28F215
28F215 |
28
28 |
28
28 |
60 |
60 |
8 |
8 |
24 |
24 |
7 |
7 |
|
132S
132M |
38F265
38F265 |
38
38 |
38
38 |
80 |
80 |
10 |
10 |
33 |
33 |
8 |
8 |
|
160M
160L |
42F300
42F300 |
42
42 |
42
42 |
110 |
110 |
12 |
12 |
37 |
37 |
8 |
8 |