您好,欢迎进入格鲁夫机械设备制造有限公司官网!
减速机|丝杆升降机|减速电机|行业专用减速机|减速机配件|减速机厂|丝杆升降机厂|转向器厂

联系我们

邮箱:china@gelufu.com
电话:0312-6784766
在线咨询

JQLX系列轮胎硫化机用异步电动机概述及结构简介

发布日期:2023-12-28 21:03 浏览次数:

JQLX系列轮胎硫化机用异步电动机概述及结构简介(图1) 手机:13331225020

一、概述
JQLX系列轮胎硫化机用电动机是一种有较高起动转矩的电动机,专为轮胎硫化机配套。
电动机从低速至接近同步转速时,都能稳定运行,速度越低,输出力矩越大,堵转时转矩接近最大值。
为使主机停即准确,电动机带有直流圆盘式电磁制动器。
该电动机适合用于轮胎硫化机,启闭闸(阀),以及其他阻力矩大,短时工作的需要准确停机的机械拖动中。
使用条件额定电压为380V;额定频率为50HZ;绝缘等级为B级;工作定额是短时工作制;海拔不超过1000m;环境空气温度随季节变化,但不超过+40℃;空气相对湿度≤95%;满载下全压起动。
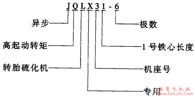
型号含义
JQLX系列轮胎硫化机用异步电动机概述及结构简介(图2)
二、结构简介
JQLX系列电动机为立式安装,无底脚,端盖有凸缘,机壳表面并有散热筋,全封闭自然冷却方式。电动机的非轴伸端有直流圆盘式电磁制动器。电动机的转子导调用高阻铝合金材料制造,其于与普通电动机相似。
制动器的结构:电磁铁由铁心及励磁绕组组成,衔接采用优质钢板制成,衔铁采用优质钢板制成,制动件采用铝合金铸成,摩檫片采用石棉纤维压制而成,摩檫片与制动见用铆钉结成一体。
制动器的工作原理:制动器的工作定额与电动机是一致的,制动器用外加直流电源,当电动机接入电源,制动器线圈应同时通电,电磁铁立即将衔铁吸上,并使埋置在电磁铁内的弹簧压缩,使制动件与衔铁和摩檫片脱开,制动件随带失轴套与转子一起转动,当电动机切断电源,制动器应同时切断,电磁铁失去电磁吸力,弹簧立即推动衔铁压紧制动件产生摩檫力矩,将电动机转子立即刹车。
电动机选用标准轴承,轴伸端选用308、309和311滚动轴承,非轴伸端选用308、310和312滚动轴承。

Copyright © 2023-2025 格鲁夫 版权所有 备案号:冀ICP备19023093号-2

电子营业执照图标 电子营业执照
选择语言
Hello,欢迎来咨询~