www.gelufu.com.cn

|
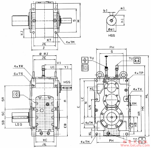
规格 |
箱体尺寸(mm) | |||||||||||||||||||||
|
A |
EHhⅡ |
C |
H |
HK |
HL |
JhⅡ |
JE |
KG |
KJ |
KL |
KT |
L |
LB |
LE |
LN |
N |
PH |
S |
SA |
SB |
SC | |
|
02
03 |
368
408 |
195
207 |
467
513 |
320
360 |
740
790 |
880
965 |
260
274 |
212
228 |
28
28 |
90
100 |
68
68 |
45
45 |
98
110 |
170
182 |
354
389 |
175
207 |
282
314 |
270
310 |
206
246 |
206
246 |
114
122 |
96
84 |
|
04
05 |
444
486 |
229
240 |
556
605 |
400
430 |
850
900 |
1035
1100 |
314
329 |
260
279 |
30
34 |
118
118 |
71
71 |
50
50 |
122
136 |
201
212 |
420
463 |
233
228 |
341
387 |
344
374 |
260
296 |
256
296 |
147
136 |
114
106 |
|
06
07 |
529
575 |
270
295 |
665
720 |
470
530 |
980
1055 |
1220
1335 |
356
380 |
292
316 |
40
40 |
131
152 |
68
91 |
64
64 |
141
150 |
235
260 |
507
555 |
256
285 |
413
445 |
400
454 |
308
350 |
308
350 |
141
150 |
132
112 |
|
08
09 |
630
694 |
322
335 |
803
872 |
600
670 |
1150
1220 |
1460
1540 |
431
451 |
353
373 |
52
52 |
153
153 |
103
103 |
78
78 |
174
187 |
280
293 |
617
672 |
318.5
373.5 |
511
566 |
516
586 |
406
476 |
406
476 |
174
187 |
115
100 |
|
规格 |
箱体尺寸(mm) |
HSS尺寸(mm) |
重量 |
油量 | |||||||||||||||||
|
TL |
TM |
TO |
TP H9 |
TX |
TS |
XA |
XB |
XC |
XH |
U1 |
Y1 |
V1 |
φd1 |
b1 |
h1 |
m1 |
kg |
l | |||
|
02
03 |
R3/4
R3/4 |
24
24 |
R3/4
R3/4 |
24
24 |
M20
M20 |
35
35 |
M16
M16 |
32
32 |
355
384 |
135
147 |
182
196 |
18
18 |
170
177 |
120
120 |
290
297 |
32k6
38k6 |
10h9
10h9 |
35
41 |
M12
M12 |
222
292 |
27
32 |
|
04
05 |
R3/4
R3/4 |
28
28 |
R3/4
R3/4 |
28
28 |
M24
M24 |
42
42 |
M16
M20 |
32
35 |
430
460 |
168
182 |
211
226 |
22
22 |
197
205 |
130
135 |
327
340 |
38k6
48k6 |
10h9
14h9 |
41
51.5 |
M12
M16 |
396
517 |
43
60 |
|
06
07 |
R3/4
R3/4 |
33
33 |
R1
R1 |
33
33 |
M30
M30 |
53
53 |
M20
M24 |
35
42 |
525
561 |
195
219 |
248
262 |
22
22 |
218
230 |
140
140 |
358
370 |
48k6
50k6 |
14h9
14h9 |
51.5
53.5 |
M16
M16 |
614
797 |
76
105 |
|
08
09 |
R3/4
R3/4 |
39
39 |
R1
R1 |
39
39 |
M30
M30 |
53
53 |
M24
M30 |
42
53 |
597
652 |
234
247 |
289
309 |
22
22 |
256
266 |
160
160 |
416
426 |
55m6
60m6 |
16h9
16h9 |
59
64 |
M20
M20 |
1085
1297 |
125
150 |

|
规格 |
LSS尺寸(mm) | |||||||||||
|
d2 |
b2 |
h2 |
m2 |
Y2 |
V2 |
U3 |
UC |
UD |
φD2 |
φD4 |
φD5 | |
|
02
03 |
80m6
100m6 |
22h9
28h9 |
85
106 |
M20
M24 |
140
170 |
304
341 |
164
171 |
257
274 |
156
165 |
80js7/H8
95js7/H8 |
86js6/H7
101js6/H7 |
85js6/H7
100js6/H7 |
|
04
05 |
105m6
120m6 |
28h9
32h9 |
111
127 |
M24
M24 |
210
210 |
403
411 |
193
201 |
302
311 |
187
193 |
105js7/H8
115js7/H8 |
111js6/H7
121js6/H7 |
110js6/H7
120js6/H7 |
|
06
07 |
130m6
140m6 |
32h9
36h9 |
137
148 |
M24
M24 |
220
250 |
434
478 |
214
228 |
331
354 |
210
224 |
125js7/H8
135js7/H8 |
131js6/H7
141js6/H7 |
130js6/H7
140js6/H7 |
|
08
09 |
160m6
170m6 |
40h9
40h9 |
169
179 |
M24
M24 |
250
310 |
504
574 |
254
264 |
397
407 |
246
262 |
150js7/H8
165js7/H8 |
151js6/H7
166js6/H7 |
150js6/H7
165js6/H7 |
