格鲁夫减速机
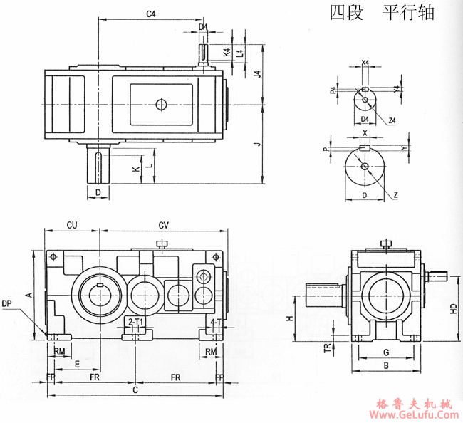
TK系列齿轮减速机四段平行轴外形及安装尺寸 fax:0312-6784733
格鲁夫减速机
|
型号 |
A |
B |
C |
C4 |
CU |
CV |
E |
FP |
FR |
G |
H |
HD |
J |
J4 |
RM |
T |
T1 |
TR |
DR |
|
TK-P4A |
360 |
235 |
620 |
343 |
205 |
439 |
165 |
30 |
275 |
190 |
180 |
243 |
300 |
219 |
95 |
24 |
- |
28 |
1 |
|
TK-P4B |
400 |
270 |
700 |
398 |
230 |
511 |
185 |
40 |
310 |
215 |
200 |
279 |
349 |
235 |
105 |
28 |
- |
30 |
1 |
|
TK-P4C |
450 |
310 |
820 |
467 |
270 |
588 |
225 |
40 |
370 |
255 |
225 |
304 |
411 |
275 |
115 |
28 |
24 |
32 |
1 |
|
TK-P4D |
530 |
350 |
940 |
540 |
305 |
669 |
250 |
50 |
420 |
280 |
265 |
267 |
440 |
301 |
130 |
35 |
24 |
35 |
1-1/4 |
|
TK-P4E |
600 |
400 |
1080 |
630 |
340 |
782 |
275 |
60 |
480 |
320 |
300 |
409 |
509 |
354 |
150 |
42 |
28 |
40 |
1-1/4 |
|
TK-P4F |
670 |
440 |
1260 |
725 |
380 |
926 |
315 |
60 |
570 |
360 |
335 |
461 |
582 |
374 |
175 |
42 |
35 |
45 |
1-1/4 |
|
TK-P4G |
750 |
570 |
1440 |
837 |
410 |
1070 |
345 |
60 |
660 |
480 |
375 |
517 |
650 |
440 |
270 |
42 |
42 |
50 |
1-1/2 |
|
TK-P4H |
800 |
570 |
1500 |
867 |
440 |
1100 |
375 |
60 |
690 |
480 |
400 |
542 |
700 |
440 |
290 |
42 |
42 |
50 |
1-1/2 |
|
TK-P4I |
900 |
650 |
1680 |
984 |
485 |
1238 |
410 |
70 |
770 |
560 |
450 |
612 |
740 |
515 |
320 |
48 |
48 |
55 |
1-1/2 |
|
TK-P4J |
1000 |
710 |
1910 |
1099 |
550 |
1403 |
470 |
75 |
880 |
610 |
500 |
662 |
830 |
545 |
350 |
56 |
56 |
60 |
1-1/2 |
传真:0312-6784733
|
型号 |
D |
L |
K |
X |
Y |
P |
Z |
D4 |
L4 |
K4 |
X4 |
Y4 |
P4 |
Z4 |
重量KG |
油量L |
|
TK-P4A |
78m6 |
140 |
120 |
22 |
14 |
9 |
M16 |
25m6 |
60 |
50 |
8 |
7 |
4 |
M8 |
200 |
12 |
|
TK-P4B |
95m6 |
170 |
150 |
25 |
14 |
9 |
M16 |
28m6 |
60 |
50 |
8 |
7 |
4 |
M8 |
280 |
18 |
|
TK-P4C |
110m6 |
210 |
190 |
28 |
16 |
10 |
M16 |
30m6 |
80 |
70 |
8 |
7 |
4 |
M8 |
415 |
28 |
|
TK-P4D |
125m6 |
210 |
185 |
32 |
18 |
11 |
M16 |
35m6 |
80 |
70 |
10 |
8 |
5 |
M8 |
630 |
43 |
|
TK-P4E |
145m6 |
250 |
225 |
36 |
20 |
12 |
M20 |
40m6 |
110 |
95 |
12 |
8 |
5 |
M10 |
910 |
62 |
|
TK-P4F |
165m6 |
300 |
275 |
40 |
22 |
13 |
M20 |
45m6 |
110 |
95 |
14 |
9 |
5.5 |
M10 |
1300 |
90 |
|
TK-P4G |
180m6 |
300 |
275 |
45 |
25 |
15 |
M20 |
50m6 |
110 |
95 |
14 |
9 |
5.5 |
M10 |
2150 |
150 |
|
TK-P4H |
190m6 |
350 |
320 |
45 |
25 |
15 |
M20 |
50m6 |
110 |
95 |
14 |
9 |
5.5 |
M10 |
2400 |
180 |
|
TK-P4I |
220m6 |
350 |
320 |
50 |
28 |
17 |
M24 |
60m6 |
140 |
125 |
18 |
11 |
7 |
M10 |
3390 |
260 |
|
TK-P4J |
240m6 |
410 |
375 |
56 |
32 |
20 |
M24 |
60m6 |
140 |
125 |
18 |
11 |
7 |
M12 |
4510 |
365 |
微信:grove_company