邮箱:china@gelufu.com
gelufu.com.cn


|
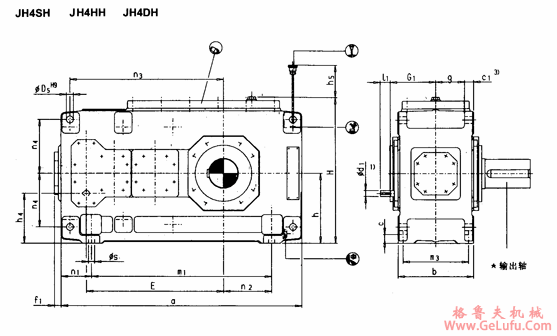
规格 |
尺寸mm | ||||||||
|
输 入 轴 | |||||||||
|
iN=100-180 |
iN=125-224 |
iN=200-355 |
iN=250-450 |
G1 | |||||
|
d11) |
I1 |
d11) |
I1 |
d11) |
I1 |
d11) |
I1 | ||
|
7 |
30 |
50 |
|
|
24 |
40 |
|
|
180 |
|
8 |
|
|
30 |
50 |
|
|
24 |
40 |
180 |
|
9 |
35 |
60 |
|
|
28 |
50 |
|
|
215 |
|
10 |
|
|
35 |
60 |
|
|
28 |
50 |
215 |
|
11 |
45 |
100 |
|
|
32 |
80 |
|
|
250 |
|
12 |
|
|
45 |
100 |
|
|
32 |
80 |
250 |
|
规格 |
尺寸mm | ||||||||||||||||||
|
齿 轮 箱 | |||||||||||||||||||
|
a |
b |
c |
c1 |
D5 |
E |
f1 |
g |
h |
h4 |
h5 |
H |
m1 |
m3 |
n1 |
n2 |
n3 |
n4 |
s | |
|
7 |
845 |
300 |
35 |
36±1 |
28 |
495 |
37 |
114 |
280 |
200 |
140 |
572 |
605 |
260 |
120 |
130 |
560 |
215 |
24 |
|
8 |
950 |
300 |
35 |
36±1 |
28 |
540 |
37 |
114 |
280 |
200 |
140 |
582 |
710 |
260 |
120 |
190 |
605 |
215 |
24 |
|
9 |
1000 |
370 |
40 |
45±1.5 |
36 |
580 |
43 |
140 |
320 |
230 |
150 |
662 |
710 |
320 |
145 |
155 |
660 |
245 |
28 |
|
10 |
1100 |
370 |
40 |
45±1.5 |
36 |
630 |
43 |
140 |
320 |
230 |
150 |
662 |
810 |
320 |
145 |
205 |
710 |
245 |
28 |
|
11 |
1200 |
430 |
50 |
54±1.5 |
40 |
705 |
47 |
161 |
380 |
270 |
165 |
782 |
870 |
370 |
165 |
180 |
805 |
300 |
35 |
|
12 |
1355 |
430 |
50 |
54±1.5 |
40 |
775 |
47 |
161 |
380 |
270 |
165 |
790 |
1025 |
370 |
165 |
265 |
875 |
300 |
35 |
|
规格 |
尺寸mm |
润滑油
(I) |
重量
(kg) | ||||||||
|
输出轴 | |||||||||||
|
JH4SH |
JH4HH |
JH4DH | |||||||||
|
d21) |
G2 |
I2 |
D22) |
G4 |
D3 |
D4 |
G4 |
G5 | |||
|
7 |
120 |
195 |
210 |
115 |
195 |
120 |
120 |
195 |
280 |
25 |
550 |
|
8 |
130 |
195 |
250 |
125 |
195 |
130 |
130 |
195 |
285 |
27 |
645 |
|
9 |
140 |
235 |
250 |
135 |
235 |
140 |
145 |
235 |
330 |
48 |
875 |
|
10 |
160 |
235 |
300 |
150 |
235 |
150 |
155 |
235 |
350 |
50 |
1010 |
|
11 |
170 |
270 |
300 |
165 |
270 |
165 |
170 |
270 |
400 |
80 |
1460 |
|
12 |
180 |
270 |
300 |
180 |
270 |
180 |
185 |
270 |
405 |
87 |
1725 |