邮箱:china@gelufu.com
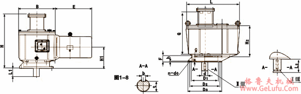
LFY型两级立式法兰式硬齿面减速机外形尺寸 WX:grove_company
格鲁夫机械
|
型号 |
轴径
d |
外形尺寸 |
安装尺寸 |
减速机
自重 | |||||||||||||||||
|
B |
H |
H1 |
H2 |
G |
L |
E |
D1(H8) |
D2 |
D3 |
C |
h |
f |
n |
do |
L1 |
L2 |
B |
T | |||
|
150 |
50k6 |
495 |
645 |
235 |
333 |
500 |
520 |
320-395 |
240 |
300 |
336 |
5 |
16 |
60 |
6 |
14 |
82 |
100 |
14 |
44.5 |
272 |
|
175 |
60k6 |
508 |
658 |
241 |
343 |
522 |
550 |
395-435 |
280 |
348 |
388 |
5 |
18 |
65 |
8 |
18 |
105 |
130 |
18 |
53 |
350 |
|
200 |
70m6 |
540 |
640 |
260 |
360 |
500 |
626 |
395-535 |
320 |
360 |
400 |
5 |
18 |
75 |
8 |
18 |
105 |
130 |
20 |
62.5 |
440 |
|
250 |
100m6 |
556 |
805 |
340 |
415 |
595 |
790 |
490-665 |
360 |
440 |
480 |
6 |
28 |
120 |
12 |
18 |
130 |
170 |
28 |
90 |
736 |
|
300 |
110m6 |
660 |
960 |
430 |
460 |
650 |
890 |
505-845 |
530 |
590 |
640 |
10 |
30 |
180 |
12 |
22 |
170 |
200 |
28 |
100 |
1155 |
|
355 |
120m6 |
740 |
1030 |
500 |
520 |
730 |
1010 |
710-1025 |
640 |
720 |
780 |
10 |
40 |
220 |
12 |
27 |
170 |
200 |
32 |
109 |
1950 |
|
400 |
140m6 |
880 |
1150 |
565 |
610 |
800 |
1200 |
820-1350 |
700 |
760 |
820 |
10 |
45 |
250 |
12 |
30 |
180 |
225 |
36 |
128 |
2670 |