您好,欢迎进入格鲁夫机械设备制造有限公司官网!
减速机|丝杆升降机|减速电机|行业专用减速机|减速机配件|减速机厂|丝杆升降机厂|转向器厂

联系我们

邮箱:china@gelufu.com
电话:0312-6784766
在线咨询

齿轮减速机

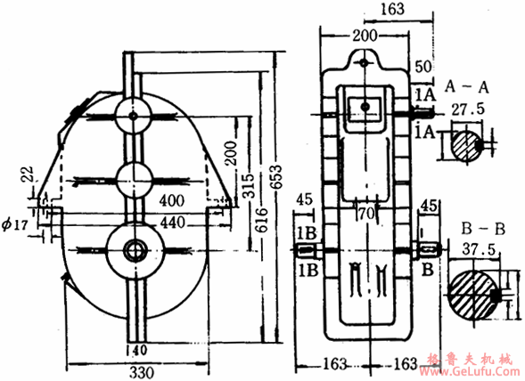
B315型圆柱齿轮减速机

发布日期:2023-12-28 18:58 浏览次数:

B315型圆柱齿轮减速机(图1) gelufu.com

B315型圆柱齿轮减速机

邮箱:china@gelufu.com

B315型圆柱齿轮减速机(图2)

格鲁夫配件

减速机型式
装配形式
编号
型式
速比
质量(kg)
B315型圆柱齿轮减速机(图3)
1
50.3
85.7
2
36.1
85.2
3
26.8
84.8
4
18.2
84.5
5
14.55
84.1
WX:grove_company

Copyright © 2023-2025 格鲁夫 版权所有 备案号:冀ICP备19023093号-2

电子营业执照图标 电子营业执照
选择语言
Hello,欢迎来咨询~