邮箱:china@gelufu.com
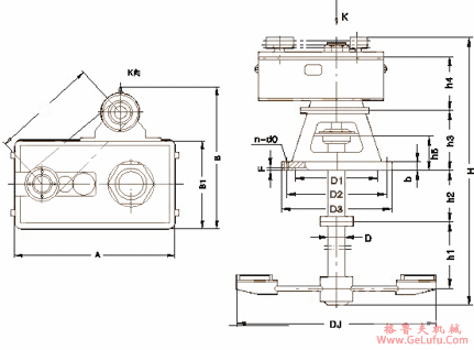
GOJ型硬齿面齿轮减速机外形尺寸 QQ:47447450
www.gelufu.com.cn
|
型号 |
出轴
直径
D |
中心
距
a |
许用
扭矩
NM |
外形尺寸 |
安装尺寸 |
皮带根
数及
型号 |
重量 | |||||||||||||||
|
a1 |
DJ |
H |
A |
B |
B1 |
h4 |
h1 |
h2 |
h3 |
h5 |
D1
H8 |
D2 |
D3 |
F |
b |
n-d0 | ||||||
|
GOJ4 |
80 |
256 |
1060 |
420 |
300-1000 |
2700-4000 |
416 |
720-1000 |
314 |
400 |
500-2000 |
605 |
605 |
165 |
510 |
580 |
630 |
6 |
30 |
16-φ20 |
4-9N |
750 |
|
GOJ7.5 |
95 |
292 |
3000 |
510 |
500-1500 |
350-4500 |
454 |
890-1100 |
343 |
450 |
1000-2500 |
660 |
660 |
200 |
540 |
620 |
670 |
6 |
30 |
20-φ27 |
4-9N |
960 |
|
GOJ15 |
110 |
49 |
4730 |
650 |
800-1800 |
4000-5000 |
800 |
910-1175 |
500 |
525 |
1200-2800 |
660 |
660 |
235 |
610 |
720 |
780 |
6 |
35 |
20-φ27 |
4-15N |
1320 |
|
GOJ22 |
140 |
587 |
9000 |
780 |
1000-2000 |
3000-6000 |
1200 |
965-1230 |
600 |
575 |
1500-3000 |
750 |
750 |
250 |
850 |
930 |
1000 |
8 |
42 |
20-φ27 |
5-15N |
2050 |
|
GOJ35 |
160 |
699 |
12750 |
810 |
1100-2200 |
3000-6000 |
1300 |
980-1280 |
700 |
610 |
1800-3200 |
750 |
750 |
280 |
850 |
930 |
1000 |
8 |
2 |
20-φ27 |
5-15N |
2760 |
|
GOJ45 |
180 |
830 |
21010 |
850 |
1200-2500 |
4500-7000 |
1420 |
1020-1320 |
820 |
715 |
2000-3500 |
800 |
800 |
300 |
930 |
1020 |
1100 |
8 |
45 |
24-φ27 |
5-15N |
3450 |
|
GOJ90 |
200 |
1270 |
36000 |
1180 |
1500-3800 |
6000-12000 |
1870 |
1020-1770 |
1210 |
860 |
3000-10000 |
800 |
900 |
350 |
980 |
1050 |
1200 |
8 |
50 |
28-φ30 |
6-15N |
5035 |
|
GOJ110 |
230 |
1750 |
70000 |
1500 |
2000-8000 |
8000-30000 |
2880 |
1870-2650 |
1820 |
1120 |
6000-30000 |
1100 |
1200 |
500 |
1300 |
1470 |
1600 |
10 |
55 |
36-φ40 |
9-15N |
7150 |