您好,欢迎进入格鲁夫机械设备制造有限公司官网!
减速机|丝杆升降机|减速电机|行业专用减速机|减速机配件|减速机厂|丝杆升降机厂|转向器厂

联系我们

邮箱:china@gelufu.com
电话:0312-6784766
在线咨询

齿轮减速机

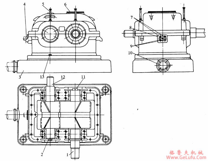
GYR型高速圆弧圆柱齿轮增(减)速机的结构图

发布日期:2023-12-28 18:57 浏览次数:

GYR型高速圆弧圆柱齿轮增(减)速机的结构图(图1) QQ:20275456

GY型高速圆弧圆柱齿轮增(减)速器的结构图 Mobile:13331225020

GYR型高速圆弧圆柱齿轮增(减)速机的结构图(图2)

微信:grove_company

1)大齿轮由齿环与轮轴组成,齿环与轮轴采用过盈配合和键联接,联合作用传递转矩。
大齿轮的非轴伸端加工有十字半接头,可供联接主油泵用。GYD系列的大齿轮在其外圆两端面磨削2°锥面,与小齿轮推力盘接触,用以平衡轴向力。
2)小齿轮非轴伸端加工有方头,供手动盘车用。GYR系列的小齿轮为一轴齿轮。GYD系列的小齿轮由轴齿轮与推力盘组成。推力盘采用过盈配合套装于靠齿轮两端的轴径上,并铰孔用销钉予以定位。2°锥面与大齿轮配磨。推力盘结构是本系列的特色。

Copyright © 2023-2025 格鲁夫 版权所有 备案号:冀ICP备19023093号-2

电子营业执照图标 电子营业执照
选择语言
Hello,欢迎来咨询~