您好,欢迎进入格鲁夫机械设备制造有限公司官网!
减速机|丝杆升降机|减速电机|行业专用减速机|减速机配件|减速机厂|丝杆升降机厂|转向器厂

联系我们

邮箱:china@gelufu.com
电话:0312-6784766
地址:莲池区焦庄乡 在线咨询

齿轮减速机

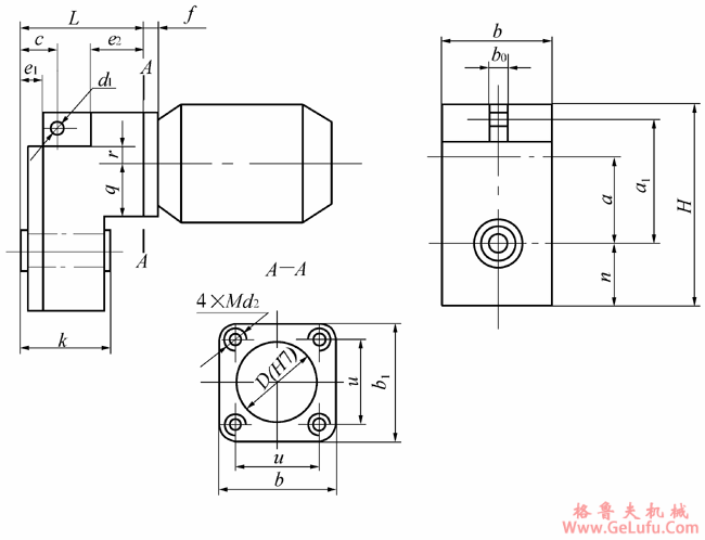
QS型起重机“三合一”运行机构用减速机的安装型式及标记示例ZB JI19027

发布日期:2023-12-28 18:52 浏览次数:

QS型起重机“三合一”运行机构用减速机的安装型式及标记示例ZB JI19027(图1) 微信:grove_company

QS型起重机“三合一”运行机构用减速器(ZBJI19027)的安装型式及型号示例 电话:0312-6784766

QS型减速器的输出端为花键套,与带花键轴的车轮或其他被动轴相连,为防止驱动机构车轮轴旋转,在减速器的上方有力矩支承孔,通过一组弹性元件,将销轴固定在支架上,以减轻起制动时的冲击。按驱动方式又分为集中驱动和分别驱动。 www.gelufu.com.cn

QS型起重机“三合一”运行机构用减速机的安装型式及标记示例ZB JI19027(图2) 电话:0312-6784766

型号
QS型起重机“三合一”运行机构用减速机的安装型式及标记示例ZB JI19027(图3)
标记示例:
起重机“三合一”运行机构减速器,代号10,公称传动比为25,标记为:减速器 QS10-25

Copyright © 2023-2025 格鲁夫 版权所有 备案号:冀ICP备19023093号-2

电子营业执照图标 电子营业执照