您好,欢迎进入格鲁夫机械设备制造有限公司官网!
减速机|丝杆升降机|减速电机|行业专用减速机|减速机配件|减速机厂|丝杆升降机厂|转向器厂

联系我们

邮箱:china@gelufu.com
电话:0312-6784766
在线咨询

齿轮减速机

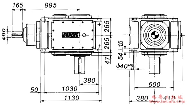
B2SV系列外型及安装尺寸图

发布日期:2023-12-28 18:50 浏览次数:

B2SV系列外型及安装尺寸图(图1) 格鲁夫机械

B2SV系列外型及安装尺寸图(图2) Mobile:13331225020

B2SV系列外型及安装尺寸图(图3) fax:0312-6784733

B2SV系列外型及安装尺寸图(图4) 格鲁夫配件

B2SV系列外型及安装尺寸图(图5) gelufu.com.cn

B2SV系列外型及安装尺寸图(图6)

mail:china@gelufu.com

B2SV系列外型及安装尺寸图(图7) www.gelufu.com

Copyright © 2023-2025 格鲁夫 版权所有 备案号:冀ICP备19023093号-2

电子营业执照图标 电子营业执照
选择语言
Hello,欢迎来咨询~