您好,欢迎进入格鲁夫机械设备制造有限公司官网!
繁體
|
网站地图
|
Tag标签
|
在线留言
|
联系我们
网站首页
Home
关于我们
ABOUT US
关于我们
售后保障
产品中心
PRODUCT
蜗轮减速机
齿轮减速机
丝杆升降机
减速电机
精密减速机
行业专用减速机
联轴器
摆线针轮减速机
技术文章
NEWS
蜗轮减速机
齿轮减速机
摆线针轮减速机
精密减速机
丝杆升降机
行星齿轮减速机
行业专用减速机
联轴器
减速机相关
问题解疑
减速电机
无极变速器
国外及港台减速机
电机
合作案例
CASE
售后服务
service
在线留言
MESSAGE
联系我们
CONTACT US
技术文章
蜗轮减速机
齿轮减速机
摆线针轮减速机
精密减速机
丝杆升降机
行星齿轮减速机
行业专用减速机
联轴器
减速机相关
问题解疑
减速电机
无极变速器
国外及港台减速机
电机
推荐产品
GⅡCLZ4型鼓
LM7梅花形弹性
UL16轮胎式联
LX13型弹性柱
联系我们
邮箱:
china@gelufu.com
电话:
0312-6784766
地址:
莲池区焦庄乡
在线咨询
主页
>
技术文章
>
齿轮减速机
齿轮减速机
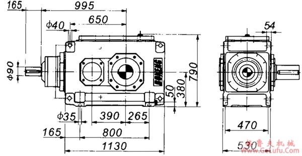
B2SH系列外型及安装尺寸图
发布日期:2023-12-28 18:50
浏览次数:
邮箱:china@gelufu.com
格鲁夫机械
QQ:47447450
格鲁夫
WX:grove_company
格鲁夫
格鲁夫机械
上一篇:H4SV系列外型及安装尺寸图
下一篇:B3SH系列外型及安装尺寸图
查看更多 >>
推荐资讯
8000系列行星摆线针轮减速机XWD、X
8000系列行星摆线针轮减速机简介,8000系列行星摆线针轮减速机特点,8000系列行星摆线针轮减速机参数,8000系列...
ADC系列摆线减速机安装形式
ADC系列行星摆线针轮减速机简介,ADC系列行星摆线针轮减速机特点,ADC系列行星摆线针轮减速机参数,ADC系列行星摆线...
多面安装圆弧圆柱蜗杆减速机外形结构尺寸
多面安装圆弧圆柱蜗杆减速器简介,多面安装圆弧圆柱蜗杆减速器特点,多面安装圆弧圆柱蜗杆减速器参数,多面安装圆弧圆柱蜗杆减速...
JRST系列单级减速机(轴伸输入,输入转
JRST系列多置式蜗杆减速机简介,JRST系列多置式蜗杆减速机特点,JRST系列多置式蜗杆减速机参数,JRST系列多置式...