格鲁夫齿轮箱
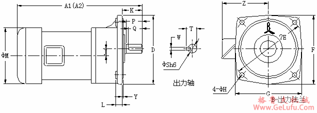
CV型立式单相--三相齿轮减速马达的外形尺寸图
传真:0312-6784733
Mobile:13331225020
|
马力 (HP) |
减速比 |
机型 |
A1 |
A2 |
D |
E |
F |
G |
H |
L |
J |
K |
M |
Y |
Z |
出力轴 | ||||
|
P |
Q |
S |
T |
W | ||||||||||||||||
|
200W gelufu (1/4HP) |
1/25-1/120 |
22CV |
320 |
320 |
148 |
185 |
175 |
165 |
11 |
12 |
17.5 |
50 |
125 |
3 |
115 |
40 |
35 |
22 |
25 |
8 |
|
400W mail:china@gelufu.com (1/2HP) |
1/5-1/20 |
22CV |
330 |
360 |
148 |
185 |
175 |
165 |
11 |
12 |
17.5 |
50 |
125 |
3 |
125 |
40 |
35 |
22 |
25 |
8 |
|
1/25-1/90 |
28CV |
360 |
390 |
170 |
220 |
205 |
195 |
11 |
13 |
23 |
60 |
165 |
3 |
125 |
45 |
40 |
28 |
31 |
8 | |
|
750W 微信:grove_company (1HP) |
1/3-1/25 |
28CV |
380 |
410 |
170 |
220 |
205 |
195 |
11 |
13 |
23 |
60 |
165 |
3 |
125 |
45 |
40 |
28 |
31 |
8 |
|
1/30-1/120 |
32CV |
410 |
440 |
185 |
255 |
250 |
220 |
13 |
15 |
30 |
70 |
165 |
4 |
125 |
55 |
50 |
32 |
35 |
10 | |
|
1500W 微信:grove_company (2HP) |
1/3-1/30 |
32CV |
460 |
510 |
185 |
255 |
250 |
220 |
13 |
15 |
30 |
70 |
195 |
4 |
145 |
55 |
50 |
32 |
35 |
10 |
|
1/40-1/100 |
40CV |
510 |
560 |
230 |
310 |
285 |
270 |
15 |
20 |
36 |
85 |
195 |
5 |
145 |
65 |
60 |
40 |
43 |
12 | |
|
2200W mail:china@gelufu.com (3HP) |
1/3-1/40 |
40CV |
530 |
|
230 |
310 |
285 |
270 |
15 |
20 |
36 |
85 |
210 |
5 |
155 |
65 |
60 |
40 |
43 |
12 |
|
1/50-1/100 |
50CV |
580 |
|
280 |
390 |
360 |
360 |
19 |
23 |
51 |
92 |
210 |
5 |
155 |
80 |
75 |
50 |
53.5 |
14 | |
|
4000W (5HP) |
1/3-1/60 |
50CV |
600 |
|
280 |
390 |
360 |
360 |
19 |
23 |
51 |
92 |
210 |
5 |
160 |
80 |
75 |
50 |
53.5 |
14 |
|
备注:A1:三相马达尺寸 A1:3-Phase Motor A2:单相马达尺寸 A2:1-Phase Motor | ||||||||||||||||||||