传真:0312-6784733
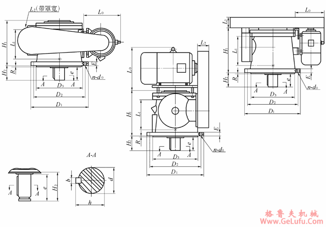
ZLSA系列螺旋锥齿轮减速机主要尺寸
QQ:20275456
Mobile:13331225020
|
参数机型号 |
输出轴联接尺寸 |
外型安装尺寸 | |||||||||||||||
|
d(h6) |
b |
h |
夹壳型 |
通用型 |
D1 |
D2 |
D3 |
L1 |
L2 |
H1 |
E |
R |
n-d0 |
重量(kg) | |||
|
e |
H2 |
e |
H2 | ||||||||||||||
|
ZLSA1 |
18 |
6 |
20.5 |
|
|
25 |
30 |
160 |
134 |
100 |
240 |
80 |
320 |
12 |
3 |
4-9 |
70 |
|
ZLSA2 |
25 |
8 |
28 |
78 |
85 |
34 |
42 |
180 |
160 |
130 |
240 |
80 |
320 |
12 |
3 |
6-9 |
80 |
|
ZLSA3 |
35 |
10 |
38 |
90 |
95 |
45 |
50 |
230 |
200 |
170 |
280 |
80 |
350 |
15 |
4 |
6-11 |
150 |
|
ZLSA4 |
45 |
14 |
48.5 |
100 |
115 |
63 |
79 |
260 |
230 |
200 |
280 |
80 |
370 |
15 |
4 |
6-11 |
160 |
|
ZLSA5 |
55 |
16 |
59 |
100 |
115 |
79 |
91 |
340 |
310 |
270 |
300 |
100 |
390 |
20 |
4 |
6-11 |
210 |
|
ZLSA6 |
65 |
18 |
69 |
130 |
144 |
80 |
92 |
400 |
360 |
316 |
300 |
100 |
420 |
26 |
5 |
8-15 |
280 |
|
ZLSA7 |
80 |
22 |
85 |
150 |
165 |
98 |
111 |
430 |
390 |
345 |
350 |
100 |
450 |
30 |
5 |
8-18 |
300 |
|
ZLSA8 |
90 |
25 |
95 |
180 |
186 |
110 |
111 |
490 |
450 |
400 |
380 |
140 |
480 |
30 |
5 |
12-18 |
360 |
|
ZLSA9 |
100 |
28 |
106 |
180 |
186 |
129 |
171 |
580 |
520 |
455 |
400 |
140 |
520 |
35 |
8 |
12-22 |
380 |
|
ZLSA10 |
110 |
28 |
116 |
200 |
215 |
140 |
173 |
650 |
590 |
520 |
420 |
140 |
580 |
40 |
10 |
12-22 |
580 |
|
ZLSA11 |
130 |
32 |
137 |
225 |
250 |
184 |
210 |
880 |
800 |
680 |
440 |
140 |
600 |
40 |
10 |
12-35 |
620 |