您好,欢迎进入格鲁夫机械设备制造有限公司官网!
减速机|丝杆升降机|减速电机|行业专用减速机|减速机配件|减速机厂|丝杆升降机厂|转向器厂

联系我们

邮箱:china@gelufu.com
电话:0312-6784766
在线咨询

齿轮减速机

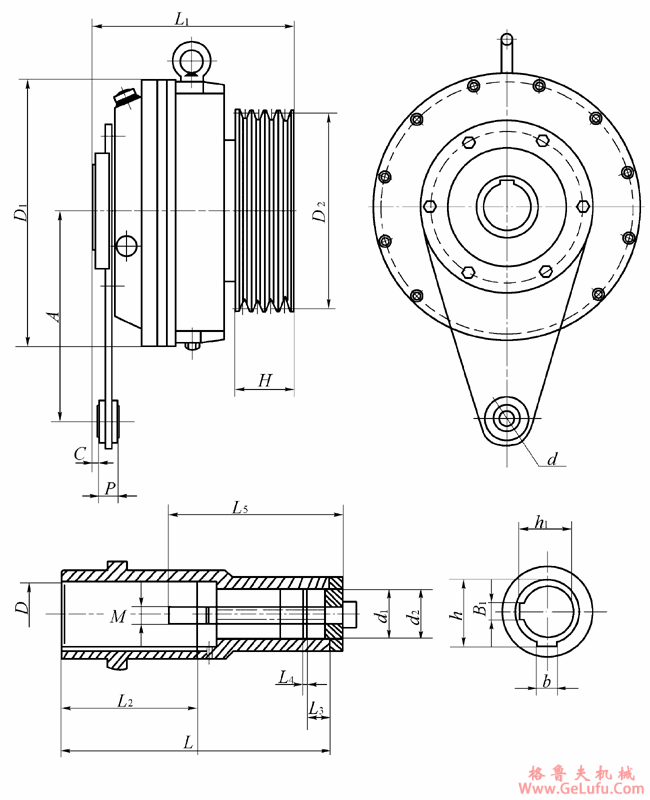
PYZ3B、PYZ4B、PYZ5B、PYZ6B、PYZ7B、系列硬齿面轴装式减速机的外形及安装尺寸

发布日期:2023-12-28 18:48 浏览次数:

PYZ3B、PYZ4B、PYZ5B、PYZ6B、PYZ7B、系列硬齿面轴装式减速机的外形及安装尺寸(图1)

mail:china@gelufu.com

PYZ系列 硬齿面轴装式减速机的外形及安装尺寸

gelufu.com.cn

PYZ3B、PYZ4B、PYZ5B、PYZ6B、PYZ7B、系列硬齿面轴装式减速机的外形及安装尺寸(图2) QQ:47447450

机型
尺寸
PYZ3B
PYZ4B
PYZ5B
PYZ6B
PYZ7B
D1
240
280
340
380
400
D2
200
220
260
280
320
D
30
40
50
654
70
A
200
20
250
300
300
C
0
0
0
0
0
P
22
22
30
34
34
H
35
52
65
82
82
L
176
201
225
275
275
L1
170
200
225
288
275
L2
90
110
115
140
145
L3
18
20
20
24
24
L4
1.1
1.3
1.7
2.2
2.2
B
8
12
14
18
20
H
33.3
43.3
53.8
69.4
74.9
b1
6
8
10
14
14
h1
19.5
32
37
52.5
52.5
d
14
14
18
25
25
d1
18
30
35
50
50
d2
19
31.4
37
53
53
M×15
M10×100
M12×110
M12×130
M16×160
M16×160
槽型×槽数
Ax2
Ax3
Bx3
Bx4
Bx5
质量(kg)
30
45
75
110
120

微信:grove_company

Copyright © 2023-2025 格鲁夫 版权所有 备案号:冀ICP备19023093号-2

电子营业执照图标 电子营业执照
选择语言
Hello,欢迎来咨询~