手机:13331225020
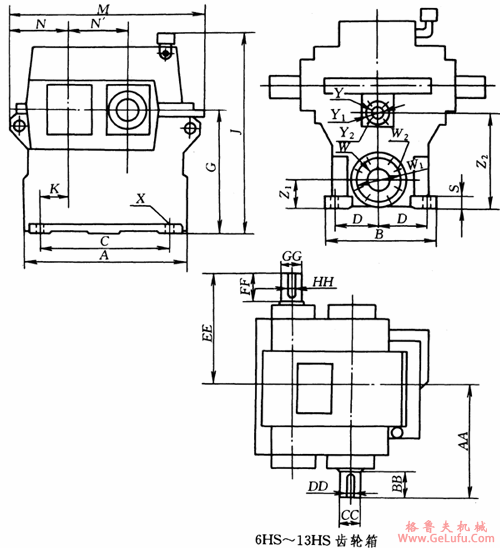
HS高速齿轮箱安装尺寸(铸造箱体) 手机:13331225020
Tel:0312-6784766
|
型号 |
A |
B |
C |
D |
G |
J |
K |
M |
N |
N′ |
S |
X |
Z1 |
Z2 |
|
6HS
7HS
8HS
9HS
10HS
11HS
12HS
13HS |
430
535
600
670
740
815
900
1000 |
345
380
420
480
510
560
650
685 |
355
455
520
570
635
710
800
900 |
145
160
180
200
215
240
280
300 |
380
380
510
510
510
585
585
635 |
635
675
815
840
865
970
1040
1070 |
76
95
108
114
127
140
165
184 |
570
675
735
830
895
970
1075
1180 |
180
200
210
240
255
265
345
320 |
150
195
220
250
280
310
345
390 |
32
38
38
38
38
38
45
45 |
(4)φ24
(4)φ26
(4)φ32
(4)φ35
(4)φ42
(4)φ42
(4)φ42
(4)φ42 |
100
100
120
120
135
135
150
150 |
290
285
410
405
395
470
450
500 |
|
型号 |
AA |
BB |
CC |
DD(键尺寸) |
W |
W1 |
W2 |
Y |
Y1 |
Y2 |
重量/kg |
油池容量/L |
|
6HS
7HS
8HS
9HS
10HS
11HS
12HS
13HS |
355
395
435
470
510
520
600
675 |
90
90
110
120
135
135
170
205 |
60
70
85
95
110
110
130
145 |
18×11
20×12
22×14
25×14
28×16
28×16
32×18
36×20 |
76
76
108
108
133
133
159
159 |
145
145
180
180
210
210
240
240 |
(4)M16
(4)M16
(8)M16
(8)M16
(8)M16
(8)M16
(8)M20
(8)M20 |
25
25
32
32
38
38
57
57 |
75
75
85
85
100
100
125
125 |
(4)M12
(4)M12
(4)M12
(4)M12
(4)M16
(4)M16
(4)M16
(4)M16 |
300
450
600
810
1020
1220
1600
2200 |
20
28
45
50
55
80
95
115 |
|
型号 |
传动比i |
EE |
FF |
GG |
HH(键尺寸) |
|
6HS |
1~3.3 |
355 |
90 |
60 |
18×11 |
|
3.3~3.7 |
350 |
85 |
50 |
14×9 | |
|
3.7~4.45 |
345 |
75 |
45 |
14×9 | |
|
4.45~5.3 |
340 |
70 |
40 |
12×8 | |
|
5.3~6.15 |
320 |
50 |
32 |
10×8 | |
|
6.15~7.0 |
310 |
45 |
25 |
8×7 | |
|
7HS |
1~3.55 |
395 |
90 |
70 |
20×12 |
|
3.55~4.55 |
380 |
75 |
60 |
18×11 | |
|
4.55~5.2 |
375 |
70 |
50 |
14×9 | |
|
5.2~5.95 |
360 |
60 |
45 |
14×9 | |
|
5.95~6.82 |
360 |
60 |
40 |
12×8 | |
|
6.82~7.5 |
355 |
50 |
32 |
10×8 | |
|
8HS |
1~3.5 |
430 |
110 |
85 |
22×14 |
|
3.5~4.2 |
415 |
90 |
70 |
20×12 | |
|
4.2~5.4 |
400 |
75 |
60 |
18×11 | |
|
5.4~6.15 |
395 |
70 |
50 |
14×9 | |
|
6.15~6.85 |
395 |
70 |
45 |
14×9 | |
|
6.85~8.0 |
390 |
65 |
40 |
12×8 | |
|
9HS |
1~3.5 |
470 |
120 |
95 |
25×14 |
|
3.5~4.8 |
440 |
90 |
70 |
20×12 | |
|
4.8~6.1 |
425 |
75 |
60 |
18×11 | |
|
6.1~6.95 |
425 |
75 |
50 |
14×9 | |
|
6.95~7.85 |
420 |
70 |
45 |
14×9 | |
|
7.85~8.0 |
415 |
65 |
40 |
12×8 | |
|
10HS |
1~3.43 |
510 |
135 |
110 |
28×16 |
|
3.43~4.0 |
495 |
120 |
95 |
28×14 | |
|
4.0~5.55 |
465 |
90 |
70 |
20×12 | |
|
5.55~6.75 |
440 |
65 |
60 |
18×12 | |
|
6.75~7.8 |
440 |
65 |
50 |
14×9 | |
|
7.8~8.0 |
430 |
60 |
45 |
14×9 | |
|
11HS |
1~3.1 |
520 |
135 |
110 |
28×16 |
|
3.1~4.5 |
510 |
120 |
95 |
25×14 | |
|
4.5~5.45 |
490 |
100 |
85 |
22×14 | |
|
5.45~6.4 |
475 |
90 |
70 |
20×12 | |
|
6.4~7.75 |
470 |
85 |
60 |
18×11 | |
|
7.75~8.0 |
465 |
75 |
50 |
14×9 |
|
型号 |
传动比i |
EE |
FF |
GG |
HH(键尺寸) |
|
12HS |
1~3.65 |
600 |
170 |
130 |
32×18 |
|
3.65~4.45 |
565 |
140 |
110 |
28×16 | |
|
4.45~5.05 |
545 |
120 |
95 |
25×14 | |
|
5.05~5.9 |
535 |
110 |
85 |
22×14 | |
|
5.9~7.65 |
515 |
90 |
70 |
20×12 | |
|
7.65~8.0 |
510 |
85 |
60 |
18×11 | |
|
13HS |
1~3.38 |
675 |
200 |
145 |
36×20 |
|
3.38~4.2 |
650 |
180 |
130 |
32×18 | |
|
4.2~5.15 |
610 |
140 |
110 |
28×16 | |
|
5.15~6.2 |
590 |
120 |
95 |
25×14 | |
|
6.2~8.0 |
560 |
90 |
70 |
20×12 |