mail:china@gelufu.com
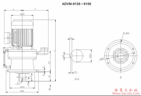
ADC系列摆线减速机尺寸图表ADVM-9135~9155TB
www.gelufu.com
gelufu.com.cn
|
ADVM-9135~9155TB尺寸图表 | ||||||||||||||||||
|
ADVM |
CF |
D1 |
D2 |
D3 |
M |
E |
P |
N |
d |
x |
y |
输出轴尺寸 | ||||||
|
d1 |
L1 |
b1 |
h1 |
t1 |
S1 |
M1 | ||||||||||||
|
9135 |
164 |
260 |
230 |
200 |
76 |
15 |
4 |
6 |
11 |
155 |
210 |
50 |
61 |
14 |
9 |
5.5 |
M10 |
18 |
|
9145 |
164 |
260 |
230 |
200 |
96 |
15 |
4 |
6 |
11 |
155 |
210 |
50 |
81 |
14 |
9 |
5.5 |
M10 |
18 |
|
9155 |
164 |
260 |
230 |
200 |
96 |
15 |
4 |
6 |
11 |
155 |
210 |
50 |
81 |
14 |
9 |
5.5 |
M10 |
18 |
|
型号 |
电机 |
L |
J |
DM |
W(KG) | ||
|
KW |
HP |
极数 | |||||
|
ADVM1-9135-Ratio |
0.75 |
1 |
4 |
485 |
143 |
77 |
58 |
|
ADVM2-9135-Ratio |
1.5 |
2 |
4 |
525 |
150 |
200 |
66 |
|
ADVM3-9135-Ratio |
2.2 |
3 |
4 |
552 |
173 |
219 |
78 |
|
ADVM5-9135-Ratio |
3.7 |
5 |
4 |
570 |
188 |
238 |
90 |
|
ADVM8-9135-Ratio |
5.5 |
7.5 |
4 |
615 |
218 |
273 |
104 |
|
ADVM10-9135-Ratio |
7.5 |
10 |
4 |
654 |
224 |
273 |
115 |
|
ADVM1-9145-Ratio |
0.75 |
1 |
4 |
505 |
143 |
77 |
58 |
|
ADVM2-9145-Ratio |
1.5 |
2 |
4 |
545 |
150 |
200 |
68 |
|
ADVM3-9145-Ratio |
2.2 |
3 |
4 |
572 |
173 |
219 |
80 |
|
ADVM5-9145-Ratio |
3.7 |
5 |
4 |
592 |
188 |
238 |
90 |
|
ADVM8-9145-Ratio |
5.5 |
7.5 |
4 |
635 |
218 |
273 |
105 |
|
ADVM10-9145-Ratio |
7.5 |
10 |
4 |
674 |
224 |
273 |
116 |
|
ADVM1-9155-Ratio |
0.75 |
1 |
4 |
505 |
143 |
77 |
58 |
|
ADVM2-9155-Ratio |
1.5 |
2 |
4 |
545 |
150 |
200 |
68 |
|
ADVM3-9155-Ratio |
2.2 |
3 |
4 |
572 |
173 |
219 |
80 |
|
ADVM5-9155-Ratio |
3.7 |
5 |
4 |
592 |
188 |
238 |
90 |
|
ADVM8-9155-Ratio |
5.5 |
7.5 |
4 |
635 |
218 |
273 |
105 |
|
ADVM10-9155-Ratio |
7.5 |
10 |
4 |
674 |
224 |
273 |
116 |
|
ADVM15-9155-Ratio |
11 |
15 |
4 |
754 |
256 |
334 |
142 |